价格:¥0.00/件
品牌:SICK 西克
发货:3天内
发送询价
| 机器型号 | 光电传感器 |
| 传感器原理/ 检测原理 | 漫反射光电传感器, 背景抑制功能 |
| 尺寸(宽 x 高 x 深) | 15.6 mm x 48.5 mm x 42 mm |
| 外壳形状(光束出口) | 方形 |
| 最大开关距离 | 20 mm ... 600 mm SITIon: relative; vertical-align: baseline; margin-left: 0px !important; top: -3px;">1) |
| 感应距离 | 20 mm ... 600 mm |
| 光源种类 | 红外线 |
| 光源 | LED 2) |
| 光点尺寸(距离) | 15 mm x 15 mm (200 mm) |
| 轴长 | 850 nm |
| 设置 | 电位计,5 圈 |
1) 具有 90% 反射率的扫描对象(指 DIN 5033 规定的标准白).
2) 平均使用寿命:100,000 小时,TU = +25 °C.

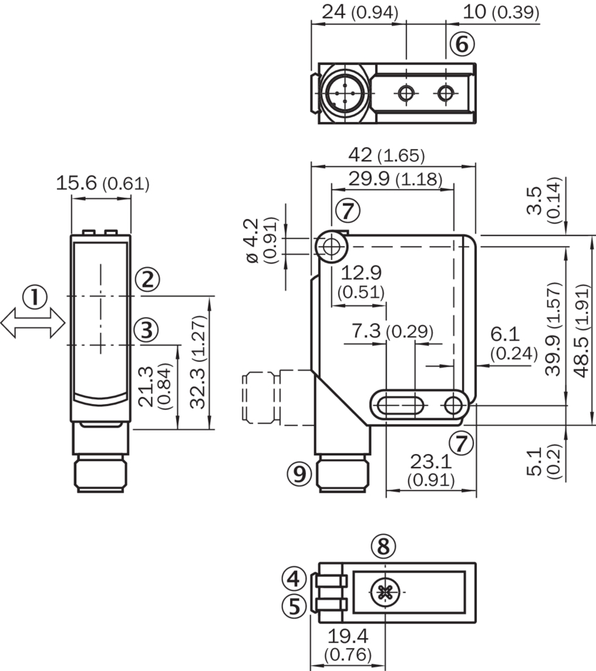
尺寸图 WTB12-3,电位计
尺寸单位:mm
① 待测物体的优选方向
② 光轴,接收器
③ 光轴,发射器
④ 绿色 LED 指示灯:供电电压激活
⑤ 黄色 LED 指示灯:光接收状态
⑥ 安装螺纹 M4,4 mm 深
⑦ 安装孔,Ø 4.2 mm
⑧ 触发感应距离设置:电位计
⑨ 接口
