价格:¥1500.00/台
标准:国标
材质:碳钢
起订:1000台
供应:13700台
发货:7天内
| 标准 | 国标 |
|---|---|
| 材质 | 碳钢 |
| 产地 | 浙江 |
| 工作温度 | 低温 |
| 公称通径 | 15-300 |
| 规格 | DN150,DN25,DN50,DN65,DN80 |
| 结构形式 | 薄膜式 |
| 类型 | 减压阀 |
| 连接形式 | 法兰 |
| 流动方向 | 双向 |
| 驱动方式 | 自动 |
| 适用范围 | 空气 |
| 适用介质 | 蒸汽 |
| 形态 | 柱塞式 |
| 用途 | 调压 |
| 零部件及配件 | 配件 |
| 压力环境 | 低压 |
| 品牌 | 三胜 |
| 型号 | ZZYP |
| 加工定制 | 是 |
| 通道位置 | 二通式 |
特点:
自力式压力调节阀无需外加能源,能在无电无气的场合工作,既方便又节约了能源;
.大而灵敏的检测膜片,保证了控制点的压力精度;
.信号检测执行器与动力执行机构分开,使整台调压阀减压比可达2000:1;●增设可调节流装置,调试简易方便;阀内件设计压力补偿装置,完全消除压力波动对设定点精度的影响,调节更加稳定;
●整机采用无填料设计,动作迅速;
.压力设定点分段范围细且相互交错,选用方便;
压力设定方便,运行时可连续无干扰地进行设定,免维护使用:
●结构大类:自力式
●结构类型:指挥器操作型
阀芯型式:单座快开式( dN≤25 )
压力平衡型
●流量特性:快开
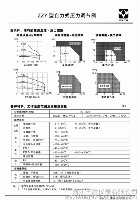
公称压力: 1.6、4.0 MPa
ANSI150、300
.阀门口径: DN20~200 (3/4~8" ).适用温度:-29~+150°C
+ 100~+250°C
.泄漏标准: IV、V、VI级连接方式:法兰、螺纹、焊接
配用专用取压管及接头,安装更加简捷、可靠.
工作原理及整机作用方式
整机作用方式:
压闭型(B型) :控制阀后压力的调压阀,其初始位置的阀芯在开启位置,当阀后压力升高,阀开度逐渐减小,直至阀后压力稳定在要求的给定值。压开型(K型) :控制阀前压力的调压阀,其初始位置的阀芯在关闭位置,当阀前压力逐渐升高,阀逐渐打开,直至阀前压力稳定在要求的给定值。差压型(C型) :控制两点差压恒定的调节阀,常用于控制两种物料的配比或两点保持一个恒定的差压。
工作原理:
设定点压力通过导压管传递到执行机构,使执行机构动作并与弹簀建立一个动态平衡, 当设定点压力发生了改变时,平衡被破坏,弹簧产生一个力,阀芯上下移动,从而使设定点压力重新回到设定值。









