价格:面议
品牌:redzonce
安装方式:直接安装
产地:天津
供应:1000
发货:10天内
| 安装方式 | 直接安装 |
|---|---|
| 产地 | 天津 |
| 显示方式 | 指针 |
| 原理 | 负荷式压力表 |
| 品牌 | 天津润达中科仪表有限公司 |
| 型号 | TRD |
| 加工定制 | 否 |
压差表厂家
TRD-M2000型压差表量程范围从0-60Pa到0-30KPa,可用于正压、负压、差压测量,适用于非易燃性气体,±2%的满量程精度。
主要特点:
l 清晰易读的4"大表盘
l ±2%FS,±4%FS 精度
l 磁螺旋技术
应用:
l 洁净室
l 过滤器阻力
l 风速、炉压
TRD-M2000指针压差表是利用简单、无摩擦的磁体螺旋运动,以橡胶膜片作为敏感元件而进行测量,它能利用指针迅速指示出被测气体的压力,无论是正压、负压或差压。此设计具有防震、摇动和过压的功能。而且表内无需充注液体,也**没有气化、冻结、异味的问题出现。
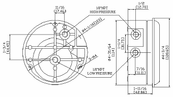
外观尺寸:
机械表性能指标:
适用介质:空气及与之兼容的非易燃性气体
外壳材质:压模铸铝或含尼龙的ABS塑料。
精度:标准为±2%FS(60Pa和125Pa为±4% FS),见选型表。
稳定性:±1%满量程/年
压力极限:100KPa
温度范围:-7 ~ 60℃
过程连接:高压和低压孔均为1/8″锥管螺纹,两组(侧面和背面各一组)
过压:约172KPa时橡胶过压塞被冲开。
尺寸:4"大表盘
重量:460g(铝),275g(ABS)
标准附件:2个1/8″NPT堵头,2个1/8″螺纹橡胶管接头,和3个带螺钉的嵌入式安装螺钉卡。
仪表选型:
| 0 -60Pa | 0 – 2KPa | 0 – 25KPa |
| 0 – 125Pa | 0 – 2.5KPa | 0 – 30KPa |
| 0 – 250Pa | 0 – 3KPa | -60~0~60Pa |
| 0 – 500Pa | 0 – 5K | -125~0~125Pa |
| 0 – 750Pa | 0-8KPa | -250~0~250Pa |
| 0 – 1KPa | 0-10KPa | -500~0~500Pa |
| 0 – 1.5KPa | 0-15KPa | -30~0~30Pa |
仪表安装:
安装环境:确保满足测量范围,满足温度范围,避免强烈震动。
安装方向:出厂校准和使用都必须在膜片垂直地面的条件下进行。
零点校准:压差表底部”ZERO SET”螺旋,压差表垂直安装时,使用一字螺丝刀调零。
压力连接:
正压测量:将压力管连接到表后面任意一个标有“high pressure”,即“高压” 的孔,并堵塞另外一个高压孔。 把标有 “low pressure”,即“低压”的两个孔暴露在大气中。
负压测量::把压力管连接到表背面任意一个标有 “low pressure” ,即“低压”孔,并堵塞另外一个低压孔。把标有 “high pressure”,即“高压”的两个孔暴露在大气中。
差压测量:把高压管连接到任意一个标有“high pressure”,即“高压”孔上,并堵塞另外一个高压孔。把低压管连接到任意一个标有“low pressure”,即“低压”孔上,并堵塞另外一个低压孔
安装方式:嵌入式安装 表面安装
1,表面安装
2,嵌入式安装
