价格:¥0.00/件
品牌:Murphy
标签: Murphy 摩菲 压力表 A20P/A25P系列 A25PE-OS-200-SF40
发货:3天内
美国 Murphy(摩菲)压力表A20P / A25P 系列 概述:
A20 系列(2 英寸/51 毫米表盘)和 A25 系列(2-1/2 英寸/64 毫米表盘)Swichgage 仪表是隔膜驱动的压力指示仪表,带有内置电气开关,用于跳闸警报和/或关闭设备。
范围从 0-30 psi (207 kPa) [2.0 bar] 到 0-300 psi (2.1 MPa) [20 bar]。
这些坚固耐用的仪器通过聚碳酸酯外壳和镜头、抛光不锈钢表圈和 O 形环密封件的独特组合而与环境隔绝。这些量规与外部环境密封。独特的组合式隔膜室可确保准确性和防止中度过压。内置脉动阻尼器有助于消除指针颤动,并可拆卸进行清洁。
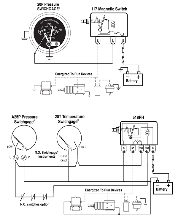
对于 A25P 系列,压力表指针作为压力指示器和一个开关极,当它接触可调限位触点时完成电路。触点具有自清洁运动,以确保电气连续性。
A20PE 型具有用于三线控制的内部快动 SPDT 开关,可以通过接线来接通或断开电路。
也可提供不带开关(墨菲格仪器)的仅仪表型号。
A20/A25系列应用包括:油田发动机/设备的润滑油压力、水泵压力、液压、空气压力等。
基本模型
A25P 系列开关量表
指针与可调节触点构成一个先导电路。
A20PE Swichgage
A20PE(原为 A20EO)。具有内部快动 SPDT 开关,而不是单极/指针触点。当开关在压力下降时闭合,它变为置位,随着压力升高开关复位(参见接线图)。
A20PG murphygage 仪器
非接触式量具
美国 Murphy(摩菲)压力表A20P / A25P 系列 规格:
表盘:黑底白字,双刻度;美国标准刻度为psi/kPa;英国标准刻度为 psi/bar。
外壳:聚碳酸酯/玻璃填充,耐腐蚀;包括钢安装夹
表圈:抛光不锈钢,标准;其他可用。
指针: 钢化镍银;红色提示。
镜片: 聚碳酸酯,耐冲击。
油: 硅油。
温度范围:
环境温度:-40°F (-40°C) 到 150°F (66°C)。
过程:-40°F (-40°C) 到 250°F (121°C)。
过程连接: 1/8-27 NPTM 黄铜。
传感元件: 铍铜膜片。
量具精度(满量程的百分比):
范围 下 1/4 中 1/2 上 1/4
=300 磅/平方英寸(20 巴) ±3% ±2% ±3%
最大压力: 参见压力范围和出厂设置表。
可调限位触点(A20P 和 A25P): SPST 触点;仅限飞行员,2A@30 VAC/DC;达到下限时关闭。当指针在正常工作范围内时打开。触点是金闪银。限制接触调整:使用 1/16 英寸六角扳手通过 100% 的刻度。
接线: A25P:6 号螺丝端子
快速开关额定值 (A20PE): SPDT,3 A@ 30 VDC 感性;4 A @ 125 VAC 感性
接线: A20PE:4 号螺丝端子
单位重量: A20 系列:8 盎司。(0.23 公斤); A25 系列型号:11 盎司。(0.31 公斤)。
单元尺寸: A20 系列:3 x 3 x 3 英寸(76 x 76 x 76 毫米);A25 系列型号:4-3/4 x 4-3/4 x 2-3/4 英寸(121 x 121 x 70 毫米)
美国 Murphy(摩菲)压力表A20P / A25P 系列 图表:
A20系列尺寸

A25系列尺寸


典型内部接线图

