价格:¥1.00/件
品牌:华创
类型:全新
原产地:深圳
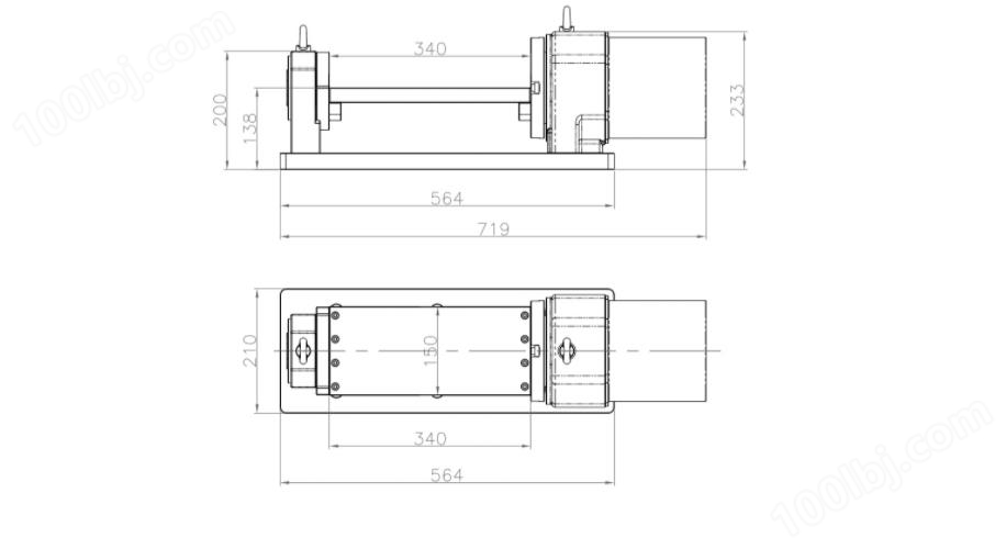
直径:340mm
起订:1件
供应:1000件
发货:3天内
华创340四轴转台维修出售详细说明
订购华创340四轴转台,欢迎联系苏州铜阳精机,本司是深圳华创办事处,供应商,提供华创四轴转台,华创数控转台,华创数控分度盘的销售,维修,安装,调试,保养等服务,详细讲述华创340四轴转台的详情,本司同时提供其他品牌的四轴转台,型号多,欢迎订购。
产品说明
对于机床来说,四轴转台等辅助设备的存在是很关键的,因为这样的设备可以使机床在整个运行过程中处于更高的水平,并使机床的工作状态长期处于较高的水平,并能更好的生产高精度的元器件和设备。
产品属性
品名:华创340四轴转台
品牌:华创
型号:HSN-340L
原产地:深圳
类型:全新
属性:四轴转台、数控转台
供应商:苏州铜阳精机
中心高:138mm
电机功率:750W
连续转矩:310Nm
价格:面议/电议
华创简介
深圳华创成立于2013年,自主研发生产不同型号的四轴转台,五轴转台等产品,同时在苏州、成都等地设立了分公司和办事处(苏州铜阳精机),华创四轴转台,华创五轴转台自进入市场后,已经被更多客户认可和支持。
应用范围
广泛应用于3C数码、眼镜钟表、医疗器械、光伏新能源等领域。
公司简介
苏州铜阳精机是一家集研发、设计、生产、销售、维修为一体的数控转台,数控机床是生产厂家;同时代理多个品牌四轴转台,五轴转台等进口转台,国产转台;作为一家数控生产企业,我们从选择数控分度盘到夹具配套、安装、调试、维修等提供一站式服务,仓库常年备有不同品牌的四轴转台,五轴转台及其他数控机床零配件。公司成立至今,我们为客户提供了不同品牌的四轴转台维修,五轴转台维修,加工中心维修,数控机床维修等服务。
备注说明
关于华创340四轴转台维修出售所述说明,价格及其他等请以产品实际为准,本司提供华创四轴转台,华创五轴转台的销售,维修,安装,调试等服务,所供应的华创数控转台,型号多,欢迎订购,作为深圳华创供应商,我们为客户提供更好的售后。
相关产品
华创170四轴转台
华创480四轴转台
华创560四轴转台
产品参数图表

产品平面图

产品图片

