价格:¥1.00/件
品牌:华创
类型:全新
原产地:深圳
直径:260
起订:1件
供应:100件
发货:3天内
华创260五轴转台数控分度盘维修出售详细说明
苏州铜阳精机详细讲述华创260五轴转台的参数,价格,属性及其他说明,供应华创五轴转台,华创数控转台,华创四轴转台等,提供五轴转台维修,四轴转台维修及销售,安装,调试,保养服务,订购华创第五轴转台,请联系我们,了解更多华创260五轴转台的参数及其他详情,请联系我们。
产品优点
使用五轴转台,可以避免了很多繁琐又复杂的操作工序,而且五轴转台相比四轴转台而言,五轴转台又同时可以适应于一些比较复杂的制造程序,让其加工运行更好更快,且精度高,更能达到用户的要求。
应用范围
广泛应用于3C数码、眼镜钟表、医疗器械、光伏新能源等领域。
产品属性
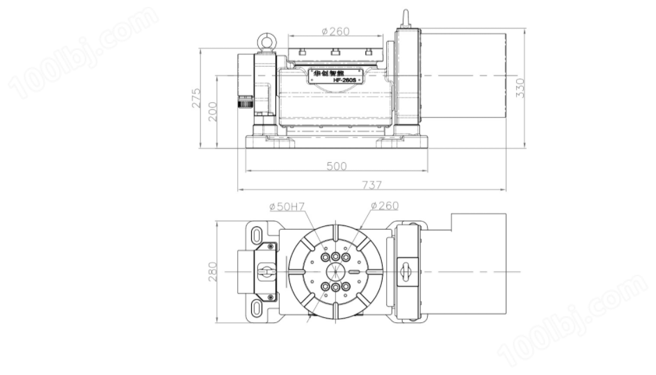
品名:华创260五轴转台
品牌:华创
型号:HF-260
原产地:深圳
类型:全新
属性:五轴转台、数控转台
供应商:苏州铜阳精机
中心高:200mm
分割精度:30sec
重复精度:10sec
电机功率:0.75-1.5kw
重量:208kg
价格:面议/电议
华创简介
深圳华创成立于2013年,自主研发生产不同型号的四轴转台,五轴转台等产品,同时在苏州、成都等地设立了分公司和办事处(苏州铜阳精机),华创四轴转台,华创五轴转台自进入市场后,已经被更多客户认可和支持。
产品特点
1、高精度
2、高刚性
3、高负载
4、重切削时不变形
备注说明
订购华创五轴转台,了解关于华创260五轴转台的更多参数详情,欢迎联系我们,关于更多华创五轴数控转台更多详情,请联系我们, 关于华创260五轴转台数控分度盘维修出售所述说明,价格及其他等请以产品实际为准,所述说明,价格及其他等请以产品实际为准,本司提供华创五轴转台维修服务。
相关产品
华创170五轴转台
华创160五轴转台
华创125五轴转台
产品平面图

产品图片

