价格:¥1.00/件
品牌:古田
类型:全新
型号:NC200
原产地:苏州
起订:1件
供应:100件
发货:3天内
发送询价
古田200第四轴转台凸轮滚子转台销售维修详细说明
订购古田200四轴转台,请联系苏州铜阳精机,本司是古田供应商,提供古田四轴转台,古田凸轮滚子转台的销售,维修,安装及调试服务,详细讲述古田200四轴转台的参数及其他说明等。
产品特点
1、产品内部采用凸轮滚子传动结构。
2、凸轮与滚针周转预压无间隙滚动传动。
3、无滑动摩擦,持续保持无间隙特性。
4、正逆向运动重复精度高。
5、高刚性,高效率。
6、不因温升导致精度不良。
7、无需定期校准和调整。
产品说明
内部采用凸轮滚子传动结构,凸轮与滚针轴承预压无间隙滚动传动,无滑动摩擦,持续保持无间隙特性,正逆向运动重复精度高,无需定期校准和调整,且具有高刚性,重负载,高效率的特性,产品不会因温升导致精度不良。
产品属性
品名:古田200四轴转台
品牌:古田
伺服电机标配:FANUC-αiF4、FANUC-βiS8、MITSUBISHI-HF104
供货商:苏州铜阳精机
原产地:苏州
属性:古田四轴转台、古田凸轮滚子转台、古田数控转台
价格:面议/电议
备注说明
关于古田200第四轴转台凸轮滚子转台销售维修所述说明,价格及其他等请以产品实际为准,作为古田供应商,我们还提供古田圆盘尾座及其他尾座多,价格实惠,欢迎订购,了解更多关于古田200凸轮滚子转台详情,请联系我们。
相关产品
古田630四轴转台
古田400四轴转台
古田250四轴转台
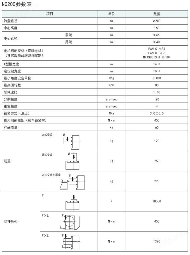
产品参数图表

产品平面图

产品图片

