价格:¥1.00/件
品牌:古田
类型:全新
型号:NC250
原产地:苏州
起订:1件
供应:100件
发货:3天内
古田250四轴凸轮滚子转台维修销售详细说明
苏州铜阳精机古田供应商,提供多种型号的古田四轴转台,古田数控分度盘,古田凸轮滚子转台等,价格实惠,欢迎订购,提供古田四轴转台的销售,维修,安装及调试等服务,详细讲述古田250四轴转台的惨及其他说明等,提供其他品牌的数控转台供应等。
产品属性
品名:古田250四轴转台
品牌:古田
所属系列:古田四轴转台、古田凸轮滚子转台
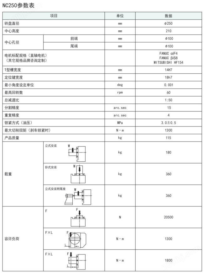
伺服电机标配:FANUC-αiF4、FANUC-βiS8、MITSUBISHI-HF154
供货商:苏州铜阳精机
原产地:苏州
价格:面议/电议
工作原理
古田凸轮式数控转台,比较传统的涡轮杆式转台更具有高精度、高速度、零背隙和重负载的工作特性;输入轴弧面凸轮的等速驱动曲面与输出轴转塔上的滚针轴承预压滚动接触传动,实现转台零背隙和可更高速度运转,由于滚动传动几乎为零的摩擦运动,使机构持久保持无背隙传动、高精度定位,且不需要定期做校准和调整工作。
产品特点
1、产品内部采用凸轮滚子传动结构。
2、凸轮与滚针周转预压无间隙滚动传动。
3、无滑动摩擦,持续保持无间隙特性。
4、正逆向运动重复精度高。
5、高刚性,高效率。
6、不因温升导致精度不良。
7、无需定期校准和调整。
产品说明
古田凸轮式数控转台,输出轴使用大轴承设置于轴的圆外壁、凸轮输入轴两端采用双轴承设置,更加增强了转台的稳定性和负载能力,能更好的应对加工时的高速度和重切削力,提高加工工件精度、效率和降低成本。
备注说明
订购古田凸轮滚子转台,欢迎联系我们,关于古田250四轴凸轮滚子转台维修销售所述说明,价格及其他等请以产品实际为准,了解更多关于古田四轴转台详情,欢迎联系我们,本司同时提供古田圆盘尾座及其他不同类型的尾座供应。
相关产品
古田400四轴转台
古田500四轴转台
古田630四轴转台
产品参数图表

产品平面图

产品图片

