价格:¥1.00/件
品牌:古田
类型:全新
型号:NC400
原产地:苏州
起订:1件
供应:100件
发货:3天内
东莞销售维修古田400四轴凸轮滚子转台详细说明
苏州铜阳精机是古田代理供应商,提供不同型号的古田四轴转台,古田五轴转台等,价格实惠,欢迎订购,详细讲述古田400凸轮滚子转台的参数及其他说明,本司提供古田凸轮滚子转台的销售,维修,安装及调试服务,提供其他品牌的四轴转台,五轴转台的供应及维修等服务。
产品属性
品名:古田400凸轮滚子转台
品牌:古田
所属系列:古田四轴转台
型号:NC400
价格:面议/电议
伺服电机标配:FANUC-αiF8、FANUC-βiS22、MITSUBISHI-HF204
供货商:苏州铜阳精机
原产地:苏州
公司简介
苏州铜阳自动化设备有限公司位于素有“小中国台湾"之称的昆山,与魔都上海比邻而居。本司是一家集研发、设计、生产、销售、维修为一体的数控转台,数控机床是生产厂家;同时代理多个品牌四轴转台,五轴转台等进口转台,国产转台;自公司成立至今,一直深受客户好评和推荐。公司成立至今,我们为客户提供了不同品牌的四轴转台维修,五轴转台维修,加工中心维修,数控机床维修等服务,只为让客户花更少的钱得到更多的物超所值服务。
产品说明
古田凸轮式数控转台,输出轴使用大轴承设置于轴的圆外壁、凸轮输入轴两端采用双轴承设置,更加增强了转台的稳定性和负载能力,能更好的应对加工时的高速度和重切削力,提高加工工件精度、效率和降低成本。
产品结构
内部采用凸轮滚子传动结构,凸轮与滚针轴承预压无间隙滚动传动,无滑动摩擦,持续保持无间隙特性,正逆向运动重复精度高,无需定期校准和调整,且具有高刚性,重负载,高效率的特性,产品不会因温升导致精度不良。
备注说明
订购古田400凸轮滚子转台,请联系我们,我们全国发货。关于东莞销售维修古田400四轴凸轮滚子转台所述说明,价格及其他等请以产品实际为准,了解古田凸轮滚子转台的其他型号,欢迎联系我们。
相关产品
古田170凸轮滚子转台
古田250凸轮滚子转台
古田320凸轮滚子转台
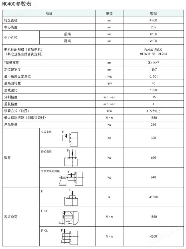
产品参数图表

产品平面图

产品图片

