价格:¥1.00/件
品牌:古田
类型:全新
型号:NC630
原产地:苏州
起订:1件
供应:100件
发货:3天内
青岛厂家销售维修古田630四轴转台详细说明
订购古田630四轴凸轮滚子转台,请联系苏州铜阳精机,本司是古田代理供应商,提供不同型号的古田四轴转台,凸轮滚子转台,古田五轴转台等产品的供应及维修,安装,调试等服务,价格实惠,欢迎咨询。
产品属性
品名:古田630四轴转台
品牌:古田
型号:NC630
所属系列:古田四轴转台、古田凸轮滚子转台
伺服电机标配:FANUC-βiS30、MITSUBISHI-HF354\HG303
供货商:苏州铜阳精机
原产地:苏州
价格:面议/电议
产品说明
内部采用凸轮滚子传动结构,凸轮与滚针轴承预压无间隙滚动传动,无滑动摩擦,持续保持无间隙特性,正逆向运动重复精度高,无需定期校准和调整,且具有高刚性,重负载,高效率的特性,产品不会因温升导致精度不良。
公司简介
苏州铜阳自动化设备有限公司位于素有“小中国台湾"之称的昆山,与魔都上海比邻而居。本司是一家集研发、设计、生产、销售、维修为一体的数控转台,数控机床是生产厂家;同时代理多个品牌四轴转台,五轴转台等进口转台,国产转台;自公司成立至今,一直深受客户好评和推荐。公司成立至今,我们为客户提供了不同品牌的四轴转台维修,五轴转台维修,加工中心维修,数控机床维修等服务,只为让客户花更少的钱得到更多的物超所值服务。
备注说明
订购古田凸轮滚子转台,请联系我们,关于青岛厂家销售维修古田630四轴转台所述说明,价格及其他等请以产品实际为准,了解更多关于古田凸轮滚子转台的型号及其他详情,请联系我们。
相关产品
古田170四轴转台
古田320四轴转台
古田400四轴转台
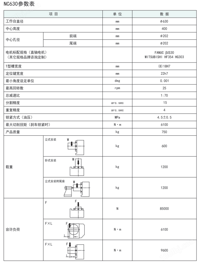
产品参数图表

产品平面图

产品图片

