价格:¥1.00/件
品牌:古田
类型:全新
盘面直径:350
高度:400
起订:1件
供应:100件
发货:3天内
武汉厂家销售维修古田350五轴凸轮滚子转台详细说明
订购古田350五轴转台,请联系苏州铜阳精机,本司是古田代理供应商,详细讲述古田350五轴转台的参数及其他详情等,我们为客户提供古田凸轮滚子转台,古田四轴转台,古田五轴转台,古田数控分度盘等,价格实惠,型号多,欢迎订购。同时提供古田圆盘尾座及其他系列尾座供应。
产品说明
古田凸轮式数控转台,输出轴使用大轴承设置于轴的圆外壁、凸轮输入轴两端采用双轴承设置,更加增强了转台的稳定性和负载能力,能更好的应对加工时的高速度和重切削力,提高加工工件精度、效率和降低成本。
产品属性
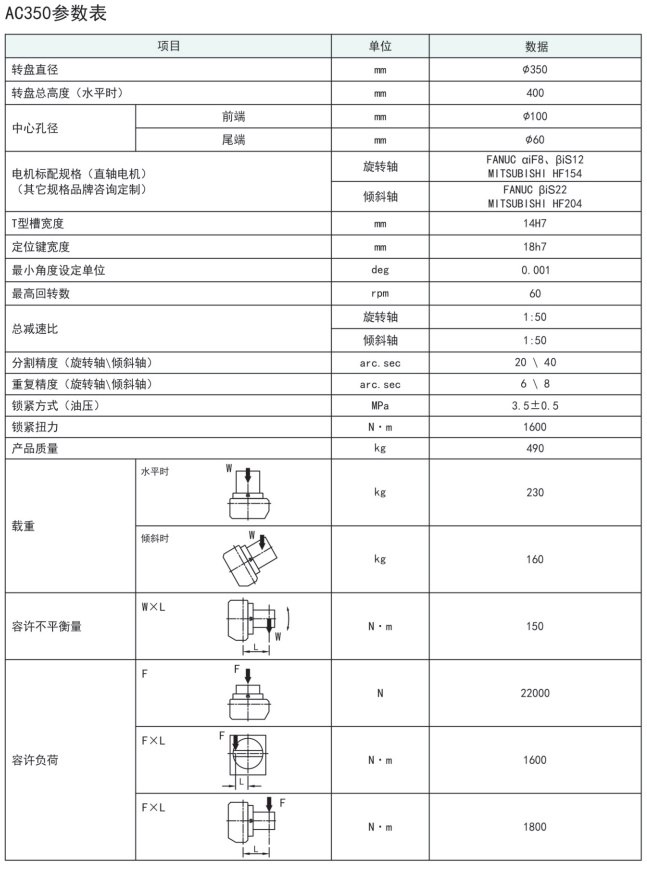
品名:古田350五轴转台
品牌:古田
型号:AC350
所属系列:古田五轴转台、古田数控分度盘、古田凸轮滚子转台
伺服电机标配:FANUC-αiF8、βiS12、βiS22 MITSUBISHI-HF154、HF204
供货商:苏州铜阳精机
原产地:苏州
价格:面议/电议
公司简介
苏州铜阳自动化设备有限公司位于素有“小中国台湾"之称的昆山,与魔都上海比邻而居。本司是一家集研发、设计、生产、销售、维修为一体的数控转台,数控机床是生产厂家;同时代理多个品牌四轴转台,五轴转台等进口转台,国产转台;自公司成立至今,一直深受客户好评和推荐。公司成立至今,我们为客户提供了不同品牌的四轴转台维修,五轴转台维修,加工中心维修,数控机床维修等服务,只为让客户花更少的钱得到更多的物超所值服务。
工作原理
古田凸轮式数控转台,比较传统的涡轮杆式转台更具有高精度、高速度、零背隙和重负载的工作特性;输入轴弧面凸轮的等速驱动曲面与输出轴转塔上的滚针轴承预压滚动接触传动,实现转台零背隙和可更高速度运转,由于滚动传动几乎为零的摩擦运动,使机构持久保持无背隙传动、高精度定位,且不需要定期做校准和调整工作。
备注说明
关于武汉厂家销售维修古田350五轴凸轮滚子转台所述说明,价格及其他等请以产品实际为准,了解更多关于古田350五轴转台及其他型号的古田五轴转台详情,欢迎联系我们。
相关产品
古田400五轴转台
古田170五轴转台
古田200五轴转台
产品参数图表

产品平面图

产品图片

