价格:¥1.00/件
品牌:古田
类型:全新
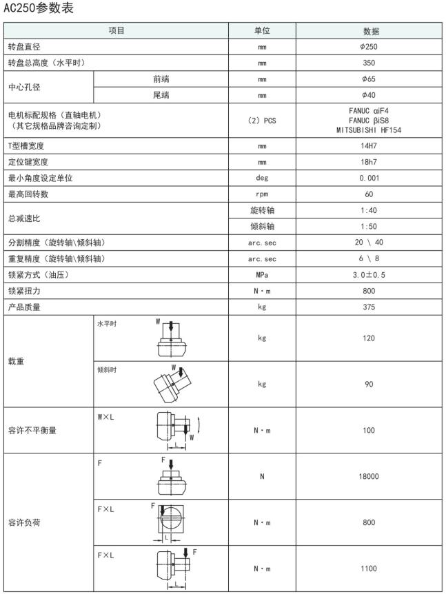
盘面直径:250
高度:350
起订:1件
供应:100件
发货:3天内
昆山转让维修古田250五轴转台凸轮滚子转台详细说明
苏州铜阳精机详细讲述古田250五轴转台的参数及其他说明等,本司是古田供应商,提供古田数控转台,古田凸轮滚子转台,古田圆盘尾座及其他类型尾座等,订购古田四轴转台,古田五轴转台等,请联系我们,价格实惠。
产品结构
内部采用凸轮滚子传动结构,凸轮与滚针轴承预压无间隙滚动传动,无滑动摩擦,持续保持无间隙特性,正逆向运动重复精度高,无需定期校准和调整,且具有高刚性,重负载,高效率的特性,产品不会因温升导致精度不良。
产品属性
品名:古田250五轴转台
品牌:古田
型号:AC250
所属系列:古田五轴转台、古田凸轮滚子转台
伺服电机标配:FANUC-αiF4、FANUC-βiS8B、MITSUBISHI-HF154
供货商:苏州铜阳精机
原产地:苏州
价格:面议/电议
工作原理
古田凸轮式数控转台,比较传统的涡轮杆式转台更具有高精度、高速度、零背隙和重负载的工作特性;输入轴弧面凸轮的等速驱动曲面与输出轴转塔上的滚针轴承预压滚动接触传动,实现转台零背隙和可更高速度运转,由于滚动传动几乎为零的摩擦运动,使机构持久保持无背隙传动、高精度定位,且不需要定期做校准和调整工作。
备注说明
订购古田250五轴转台,请联系我们,关于昆山转让维修古田250五轴转台凸轮滚子转台所述说明,价格及其他等请以产品实际为准,本司同时提供其他品牌的四轴转台,五轴转台的销售,维修,安装及调试服务。
相关产品
古田350五轴转台
古田170五轴转台
古田200五轴转台
产品平面图

产品参数图表

产品图片

