价格:¥1.00/件
品牌:古田
类型:全新
盘面直径:170
高度:260
起订:1件
供应:100件
发货:3天内
杭州销售维修古田170五轴转台凸轮滚子转台详细说明
订购古田170五轴转台,请联系苏州铜阳精机,本司是古田供应商,提供古田凸轮滚子转台,古田五轴转台的销售,维修,安装及调试服务,详细讲述古田170五轴转台的参数及其他详情,提供古田圆盘尾座及其他类型尾座的供应,价格实惠,欢迎订购。
工作原理
古田凸轮式数控转台,比较传统的涡轮杆式转台更具有高精度、高速度、零背隙和重负载的工作特性;输入轴弧面凸轮的等速驱动曲面与输出轴转塔上的滚针轴承预压滚动接触传动,实现转台零背隙和可更高速度运转,由于滚动传动几乎为零的摩擦运动,使机构持久保持无背隙传动、高精度定位,且不需要定期做校准和调整工作。
产品结构
内部采用凸轮滚子传动结构,凸轮与滚针轴承预压无间隙滚动传动,无滑动摩擦,持续保持无间隙特性,正逆向运动重复精度高,无需定期校准和调整,且具有高刚性,重负载,高效率的特性,产品不会因温升导致精度不良。
产品属性
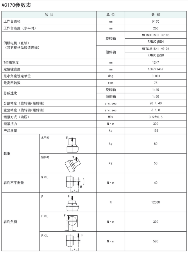
品名:古田170五轴转台
品牌:古田
型号:AC170
所属系列:古田五轴转台、古田凸轮滚子转台
伺服电机标配:FANUC-βiS4、βiS8B MITSUBISHI-HG105、HG104
供货商:苏州铜阳精机
原产地:苏州
价格:面议/电议
产品说明
古田凸轮式数控转台,输出轴使用大轴承设置于轴的圆外壁、凸轮输入轴两端采用双轴承设置,更加增强了转台的稳定性和负载能力,能更好的应对加工时的高速度和重切削力,提高加工工件精度、效率和降低成本。
备注说明
关于杭州销售维修古田170五轴转台凸轮滚子转台所述说明,价格及其他等请以产品实际为准,订购古田五轴转台,古田凸轮滚子转台等,请联系我们,本司提供其他品牌的四轴转台,五轴转台等,型号多,满足用户多种需求,欢迎订购。
相关产品
古田200五轴转台
古田400五轴转台
古田250五轴转台
产品参数图表

产品平面图

产品图片

