价格:¥1.00/件
品牌:古田
类型:全新
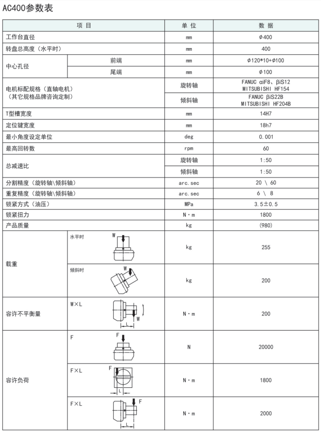
型号:AC400
工作台直径:400mm
起订:1件
供应:100件
发货:3天内
无锡销售维修古田400五轴转台详细说明
无锡销售维修古田400五轴转台,价格实惠,欢迎订购,订购请联系苏州铜阳精机,详细讲述古田400五轴转台的参数及其他详情。本司同时提供古田四轴圆盘尾座及其他类型的尾座,价格实惠。
产品属性
品名:古田400五轴转台
品牌:古田
型号:AC400
所属系列:古田五轴转台、古田凸轮滚子转台
伺服电机标配:FANUC-αiF8、βiS12、βiS22 MITSUBISHI-HF154、HF204
供货商:苏州铜阳精机
原产地:苏州
价格:面议/电议
产品结构
产品内部采用凸轮滚子传动结构,凸轮与滚针轴承预压无间隙滚动传动,无滑动摩擦,持续保持无间隙特性,正逆向运动重复精度高,无需定期校准和调整,且具有高刚性,重负载,高效率的特性,产品不会因温升导致精度不良;提高多轴加工零件品质,能很大程度的降低加工零件的不良率。
产品说明
古田凸轮式数控转台,输出轴使用大轴承设置于轴的圆外壁、凸轮输入轴两端采用双轴承设置,更加增强了转台的稳定性和负载能力,能更好的应对加工时的高速度和重切削力,提高加工工件精度、效率和降低成本。
备注说明
关于无锡销售维修古田400五轴转台所述说明,价格及其他等请以产品实际为准,订购古田400五轴转台,请联系我们,了解其他型号的古田五轴转台,请咨询我们。
相关产品
古田170五轴转台
古田350五轴转台
古田200五轴转台
产品参数

产品平面图

产品图片

