价格:¥0.00/件
品牌:柯普森
标签: 柯普森255五轴转台 柯普森五轴转台 五轴转台维修
类型:全新
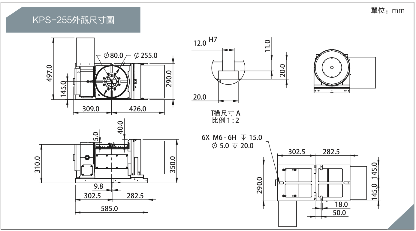
盘面直径:255mm
T型槽宽度:12H7mm
发货:3天内
柯普森255五轴转台销售维修详细说明
苏州铜阳精机供应柯普森五轴转台,提供柯普森五轴转台的销售,维修,安装及调试等服务,详细讲述柯普森255五轴转台的参数及其它详情。本司是柯普森代理供应商,所提供的柯普森数控转台,数控分度盘,价格实惠,型号多,订购请联系我们。
产品属性
品名:柯普森255五轴转台
型号:KPS-255
供应商:苏州铜阳
类型:全新
属性:柯普森五轴转台、柯普森数控分度盘、柯普森数控转台
盘面直径:255mm
盘面中心孔直径:80mm
T型槽宽度:12H7mm
底面导键宽度:18H7mm
价格:面议/电议
公司简介
苏州铜阳精机是一家集研发、设计、生产、销售、维修为一体的数控转台,数控机床是生产厂家;同时代理多个品牌四轴转台,五轴转台等进口转台,国产转台;作为一家数控生产企业,我们从选择数控分度盘到夹具配套、安装、调试、维修等提供一站式服务,仓库常年备有不同品牌的四轴转台,五轴转台及其他数控机床零配件。公司成立至今,我们为客户提供了不同品牌的四轴转台维修,五轴转台维修,加工中心维修,数控机床维修等服务。
产品优点
辅助支撑:辅助端三个轴承支撑设计,承载力大,耐重切割。
加工范围大:盘面高于支撑柱,增加了加工范围,满足加长异性件加工,减少投入成本。
产品特点
1、孔径大,轴承就大,刚性则强,重切削时几乎无变形量。
2、径轴向轴承可以支撑高径向切割和轴向切割,适用高负载及高精度分度盘,重切削时不变形。
3、双导程蜗杆为左右齿面的导程及导程角不同的蜗杆,由小而大的渐进螺纹,具有高效率组立方式与高精准。
4、刹车盘等同于盘面外径,锁紧时具有高刚性,锁紧力强,刹车面积大,确保重切削时盘面不偏摆。
备注说明
订购柯普森五轴转台,欢迎联系我们,关于柯普森255五轴转台销售维修所述价格,参数及其它描述说明等,请以产品实际为准,如需其它品牌的五轴转台或五轴转台维修,欢迎咨询我们,我们将竭诚为您服务。
相关产品
柯普森200五轴转台
柯普森320五轴转台
柯普森170五轴转台
产品参数图表

产品平面图

产品图片

