价格:¥5500.00/个
加工定制:否
材质:铸铁
起订:1个
供应:100个
发送询价
| 加工定制 | 否 |
|---|---|
| 材质 | 铸铁 |
| 连接形式 | 法兰 |
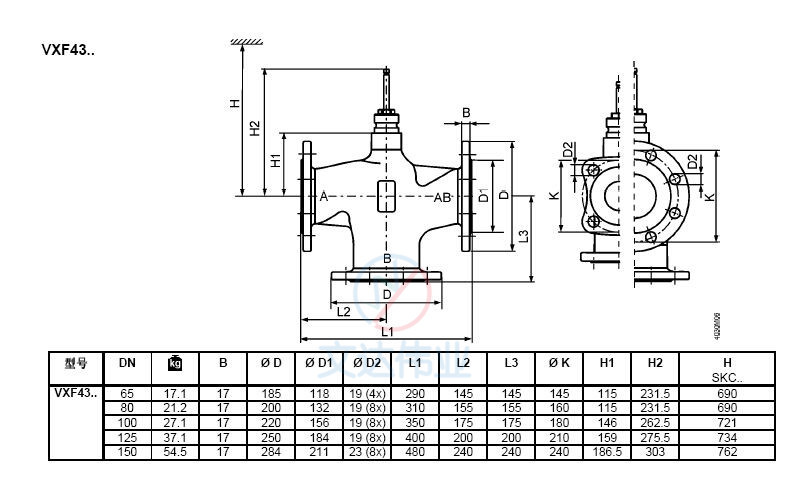
| 公称通径 | DN65(mm) |
| 适用介质 | 水,空气 |
| 压力环境 | 常压 |
| 工作温度 | 常温 |
| 流动方向 | 单向 |
| 驱动方式 | 电子 |
| 零部件及配件 | 执行器 |
| 形态 | 柱塞式 |
| 类型(通道位置) | 三通式 |
| 标准 | 德标 |
| 密封形式 | 硬密封型 |
| 阀体口径 | DN65 |
| 品名 | 电动执行器 |
| 阀体材质 | 铸铁 |
| 品牌 | siemens/西门子 |
| 型号 | VXF43.65 |
VXF43.65三通座阀用于锅炉、区域供热和制冷设备,冷却塔、加热机组和空调机组中作为控制或截止阀们,适用于闭式或开式管路系统。阀体耐温-20-+220度,口径范围DN65-150,阀体材质为球墨铸铁,阀体可与SKC系列的执行器匹配组合使用。
VXF43.65三通座阀技术参数
阀体材质:球墨铸铁GG25
阀体耐压:PN16
阀体耐温:-20-+220度
阀杆材质:不锈钢
阀芯材质:不锈钢
密封材质:EPDM(无硅)
阀体通径范围:DN65-150
行程范围: 40MM
适用介质:饱和蒸汽、冷冻水、低温热水、高温热水、热油、洁净水
VXF43.65三通座阀图片及尺寸图


VXF43.65三通座阀与执行器匹配表

