价格:¥52150.00/个
加工定制:否
产品用途:控制蝶阀开关
供应:800个
发送询价
| 加工定制 | 否 |
|---|---|
| 产品用途 | 控制蝶阀开关 |
| 驱动能源 | 电动执行器 |
| 品牌 | 瑞士博力谋BELIMO |
| 型号 | QB12000P |
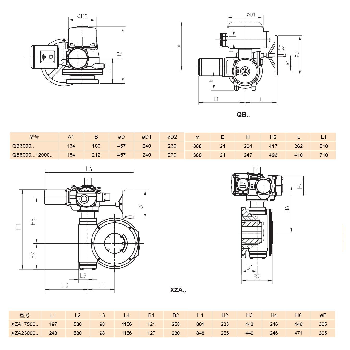
瑞士博力谋非弹簧复位电动执行器,适用于工业和酒店、药厂冷热水管道系统,调节型执行器型号QB12000P XZA23000P QB8000P QB10000P XZA17500P SY12UMF-T,扭矩;6000-23000Nm.原装进口瑞士生产。
QB12000P图片

QB12000P技术资料

QB12000P尺寸结构图

QB12000P接线图

