价格:¥3080.00/个
加工定制:否
材质:铸铁
供应:100个
发送询价
| 加工定制 | 否 |
|---|---|
| 材质 | 铸铁 |
| 连接形式 | 法兰 |
| 公称通径 | DN80(mm) |
| 适用介质 | 水,空气 |
| 压力环境 | 常压 |
| 工作温度 | 常温 |
| 流动方向 | 单向 |
| 驱动方式 | 电子 |
| 零部件及配件 | 执行器 |
| 形态 | 柱塞式 |
| 类型(通道位置) | 二通式 |
| 标准 | 德标 |
| 密封形式 | 软密封型 |
| 阀体耐压 | PN16 |
| 阀体口径 | DN80 |
| 阀体材质 | 铸铁 |
| 品牌 | siemens/西门子 |
| 型号 | VVF47.80 |
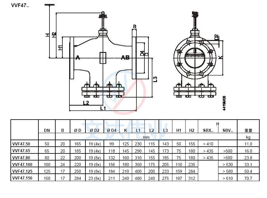
VVF47.80二通座阀用于在暖通空调系统中作为控制阀。,仅适用于闭式系统。阀体耐温90度,口径范围DN50-150,阀体材质为铸铁,阀体可与SBX、SBV系列的执行器匹配组合使用。
VVF47.80二通座阀技术参数
阀体材质:铸铁EN-GJL-250
阀体耐压:PN16
阀体耐温:90度
阀杆材质:不锈钢
阀芯材质:不锈钢
密封材质:EPDM
阀体通径范围:DN50-150
行程范围: DN50-80 20MM
DN100-150 40MM
适用介质:低温热水
VVF47.80二通座阀图片及尺寸图


VVF47.80二通座阀与执行器匹配表

