价格:¥6300.00/台
加工定制:否
阀体材料:铸铁
起订:1台
供应:100台
发送询价
| 加工定制 | 否 |
|---|---|
| 阀体材料 | 铸铁 |
| 工作温度 | 150度 |
| 公称通径 | DN125(mm) |
| 密封材料 | EPDM |
| 阀门性能特点 | 调节精度高 |
| 工作介质 | 水 |
| 公称压力 | PN16 |
| 连接方式 | 法兰 |
| 执行器性能特点 | 电动调节 |
| 阀体耐压 | PN16 |
| 阀体口径 | DN125 |
| 阀体材质 | 铸铁 |
| 品牌 | siemens/西门子 |
| 型号 | VVF47.125 |
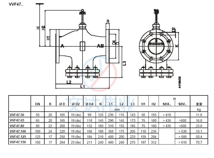
VVF47.125二通座阀用于在暖通空调系统中作为控制阀。,仅适用于闭式系统。阀体耐温90度,口径范围DN50-150,阀体材质为铸铁,阀体可与SBX、SBV系列的执行器匹配组合使用。
VVF47.125二通座阀技术参数
阀体材质:铸铁EN-GJL-250
阀体耐压:PN16
阀体耐温:90度
阀杆材质:不锈钢
阀芯材质:不锈钢
密封材质:EPDM
阀体通径范围:DN50-150
行程范围: DN50-80 20MM
DN100-150 40MM
适用介质:低温热水
VVF47.125二通座阀图片及尺寸图


VVF47.125二通座阀与执行器匹配表

