价格:¥639.00/件
加工定制:否
材质:红青铜
起订:1件
供应:100000000件
| 加工定制 | 否 |
|---|---|
| 材质 | 红青铜 |
| 连接形式 | 内螺纹 |
| 公称通径 | DN40(mm) |
| 适用介质 | 水 |
| 压力环境 | 常压 |
| 工作温度 | 常温 |
| 流动方向 | 单向 |
| 驱动方式 | 电子 |
| 零部件及配件 | 执行器 |
| 标准 | 国标 |
| 密封形式 | 软密封型 |
| 品牌 | HONEYWELL/霍尼韦尔 |
| 型号 | V5032Y0040A平衡阀 |
HONEYWELL/霍尼韦尔DN40进口平衡阀 V5032Y0040A平衡调节阀 Kombi-2-plus
霍尼韦尔Kombi-2-plus静态平衡阀应用
霍尼韦尔Kombi-2-plus系列螺纹式静态平衡阀是暖通空调水系统用于保证高精度流量预调节的一种主要的水力平衡产品。
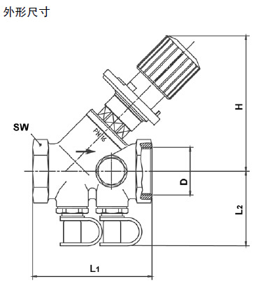
霍尼韦尔Kombi-2-plus系列螺纹式静态平衡阀是一种二通、手动、高精度的流量预调节阀,尺寸范围DN15~DN80,由阀体、取压接头(DN25~DN80)、手轮和开度指示盘等构成。霍尼韦尔Kombi-2-plus系列螺纹式静态平衡阀,广泛地应用在暖通空调水系统的主管、分支管道以及末端设备水管路中,同时,也可应用于其它的相同或相似功能需求的场合。


霍尼韦尔Kombi-2-plus静态平衡阀特点
霍尼韦尔Kombi-2-plus系列螺纹式静态平衡阀具有开关、数字显示开度、注水和排空、流量和压差的测量和预调节等功能。通过专用测量仪表,在空调水系统初调试时,可以现场对水系统流量进行预调节,保证各个末端设备和管路的流量在调节合格后同时达到设计流量,使整个空调水系统处于静态水力平衡状态。
霍尼韦尔Kombi-2-plus静态平衡阀技术参数
尺寸范围 DN15~DN80
流量精度 5%
工作压力 PN16
连接方式 内螺纹,符合DIN2999(ISO7)
材质 阀体 红青铜
阀芯 黄铜
阀座密封 PTFE
测压接头 黄铜
O型圈和软密封 EPDM
开度指示盘 **塑料
手轮(DN15-50**塑料
手轮(DN15-50**塑料
手轮(DN65-80)钢
介质 水,水、乙二醇溶液
介质温度 2~130℃
环境温度 0~65℃
大气环境 无腐蚀、无**性
储运温度 -40~65℃


本公司大量批发HONEYWELL/霍尼韦尔DN40进口平衡阀 V5032Y0040A平衡调节阀 Kombi-2-plus,西北五省及周边省市陕西西安甘肃兰州青海西宁新疆乌鲁木齐内蒙古呼号浩特宁夏银川山西太原低价批发西门子霍尼韦尔兰吉尔温控系列产品,本公司西门子温控阀,霍尼韦尔温控阀,西门子各种调节阀门,西门子三通调节阀,西门子二通调节阀,西门子两通电动阀门,西门子三通电动温控阀,霍尼韦尔各种阀门,霍尼韦尔三通调节阀,霍尼韦尔二通调节阀,霍尼韦尔两通电动阀门,霍尼韦尔三通电动温控阀西门子温控器,执行器,传感器,调节阀,霍尼韦尔温控器,执行器,传感器,调节阀,兰吉尔热量表,西门子热量表大量批发,长期供应陕西、甘肃、青海、新疆等地区**原装进口,保证品质及售后服务,开具正规17%增值**,欢迎来电咨询!
