价格:¥0.00/件
品牌:RICKMEIER
发货:3天内
发送询价
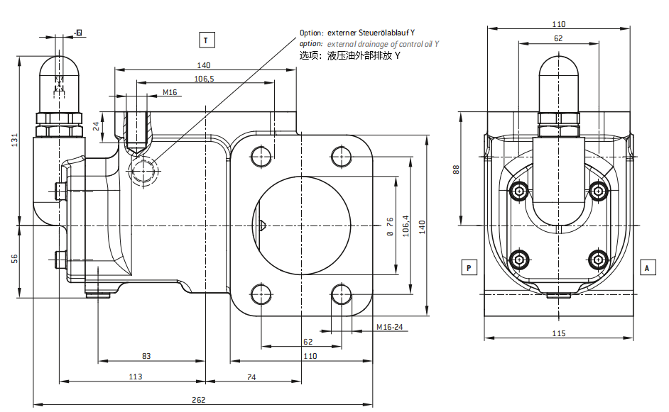
德国 Rickmeier瑞克梅尔 泄压阀 420690 DB9-B-P40-SAE(0)-BII-SCN

| 泄压阀 | DB9 |
| 公称尺寸 | DN80 |
| 最大流量 | 1800L/min |
| 设计压力 | 100bar |
| 一般参数 | |
| 类型 | 截止阀,液压预控 |
| 固定方式 | 管道内 |
| 管道连接 | 公制 SAE3 法兰 |
| 重量 | 17KG |
| 安装位置 | 任意 |
| 液压参数 | |
| 设定压力范围 | 2...40bar |
| 驱动类型 | |
| 机械 | 调节主轴 |
| 可用附件 | 公制 SAE 法兰 |
| 更多版本请咨询 |
