价格:¥0.00/件
品牌:高川
标签: 液氨专用截止阀
发货:3天内
发送询价
| 产品名称: | 液氨专用截止阀 | 产品型号: | J41B |
| 公称通径: | DN10~DN300 | 结构形式: | 截止式 |
| 公称压力: | 2.5MPa~4.0MPa | 连接方式: | 法兰、焊接、内螺纹、外螺纹 |
| 适用温度: | -40ºC~+200ºC | 驱动方式: | 手轮 |
| 阀体材质: | 铸铁、铸钢、不锈钢 | 标准: | 国标GB、德国DIN、美国API、ANSI |
| 适用介质: | 氨气、气体、液体 | 生产厂家: | 浙江高川机械科技有限公司 |
产品说明
J41B液氨专用截止阀具有密封性能稳定、使用安全可靠、耐腐蚀性强、无介质内、外漏以及操作轻便等特点,成功解决了化工管道用普通阀门耐腐蚀性能差、壳体易穿孔以及密封性能差、易泄露的难题,特别适用于化工行业氨气,燃气管道的传送,并满足长期可靠使用的要求,其密封性、可维修性、安全性等。
产品特点
1、针对普通阀门耐腐蚀性能差、壳体易穿孔的缺点,根据介质具体特性,氨气专用阀在阀体材料上选用耐腐蚀钢(低温碳素钢添加耐蚀合金元素),可耐氨气、液氨腐蚀,低温可至-40℃,最大限度保证工况条件使用要求。
2、氨用截止阀密封副配对结构型式采用球、平面型,密封自动补偿,达到双重保险的效果,密封性能稳定,无粘着磨损,有效地解决了化工管道用普通阀门密封性能差、易泄露的难题。
3、产品中法兰采用凹凸密封结构,即使在管道压力波动的情况下,保证中法兰密封绝对可靠。
4、上密封装置中采用多级聚四氟乙烯密封材料,形成组合密封,确保阀门在使用期限内填料函无介质泄露,消除了普通阀门填料函密封薄弱、介质易外漏,甚至造成事故的可能。
主要零件材料
| 零件名称 | 阀体、阀盖 | 密封圈 | 填料 | 填料压盖 | 阀杆 | 垫片 |
| J41B-25C | 铸钢 | 巴氏合金 | 聚四氟 乙 烯 | 碳钢 | 聚四氟 乙 烯 | |
| J41B-25Z | 灰铸铁 | |||||
| J41B-25P | 不锈钢 | 不锈钢 | ||||
| J41F-25Z | 灰铸铁 | 碳钢 | ||||
性能规范
| 公称压力PN(MPA) | 试验压力PS(MPa) | 适用介质 | 适用温度(℃) | |
| 2.5 | 3.8 | 氨气、 氨液等 NH3 | 巴氏合金 -40℃ +150℃ | 四氟 -40℃ +200℃ |
| 4.0 | 6.4 | |||
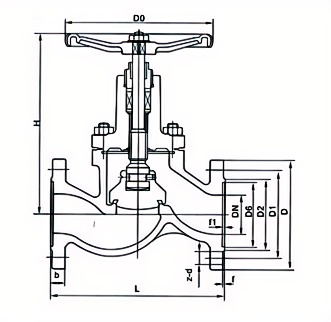
外形结构图

主要尺寸及重量
| 公称通径 DN(mm) | 尺 寸(mm) | |||||||||||
| L | D | D1 | D2 | D4 | b | f | f1 | Z-φd | 关 | 开 | D3 | |
| 10 | 130 | 90 | 60 | 40 | 35 | 16 | 2 | 4 | 4-φ14 | 165 | 185 | 110 |
| 15 | 130 | 95 | 65 | 45 | 40 | 16 | 2 | 4 | 4-φ14 | 165 | 185 | 110 |
| 20 | 150 | 105 | 75 | 55 | 51 | 18 | 2 | 4 | 4-φ14 | 170 | 200 | 120 |
| 25 | 160 | 115 | 85 | 65 | 58 | 18 | 2 | 4 | 4-φ14 | 197 | 210 | 120 |
| 32 | 180 | 135 | 100 | 78 | 66 | 20 | 2 | 4 | 4-φ18 | 199 | 213 | 140 |
| 40 | 200 | 145 | 110 | 85 | 76 | 20 | 3 | 4 | 4-φ18 | 248 | 264 | 160 |
| 50 | 230 | 160 | 125 | 100 | 88 | 22 | 3 | 4 | 4-φ18 | 265 | 295 | 180 |
| 65 | 290 | 180 | 145 | 120 | 110 | 24 | 3 | 4 | 8-φ18 | 310 | 349 | 220 |
| 80 | 310 | 195 | 160 | 135 | 121 | 26 | 3 | 4 | 8-φ18 | 340 | 357 | 240 |
| 100 | 350 | 230 | 190 | 160 | 150 | 30 | 3 | 4.5 | 8-φ23 | 380 | 413 | 280 |
| 125 | 400 | 270 | 220 | 188 | 176 | 32 | 3 | 4.5 | 8-φ25 | 430 | 451 | 320 |
| 150 | 480 | 300 | 250 | 218 | 204 | 32 | 3 | 4.5 | 8-φ25 | 505 | 492 | 360 |
| 200 | 600 | 360 | 310 | 278 | 260 | 34 | 3 | 4.5 | 12-φ25 | 550 | 806 | 400 |
| 250 | 650 | 425 | 370 | 335 | 31 | 36 | 3 | 4.5 | 12-φ30 | 730 | 880 | 450 |
| 300 | 750 | 485 | 430 | 390 | 364 | 40 | 3 | 4.5 | 16-φ30 | - | 995 | 550 |

