价格:¥0.00/件
品牌:高川
标签: 外螺纹角式截止阀
发货:3天内
发送询价
| 产品名称: | 外螺纹角式截止阀 | 产品型号: | J24W/H |
| 公称通径: | DN3~DN25 | 结构形式: | 截止式 |
| 公称压力: | 16.0MPa~32.0MPa | 连接方式: | 外螺纹 |
| 适用温度: | -29ºC~+550ºC | 驱动方式: | 手轮 |
| 阀体材质: | WCB、铸钢、碳钢、不锈钢 | 标准: | 国标GB、德国DIN、美国API、ANSI |
| 适用介质: | 水、油、蒸汽、气体、液体 | 生产厂家: | 上海凯利科阀门有限公司 |
产品说明
J24W/H外螺纹角式截止阀密封性良好,一般用于较小流量,适用于较高压力的气体或液体(如蒸汽、油品)介质的密封。使用寿命长,即使密封面损坏后,也只需要更换易损零件,即可继续使用。广泛用于石油、化工、电厂、冶金等行业。
主要零部件材料
| 零件名称 | 阀体、阀盖 | 阀杆、阀瓣 | 填料 |
| J24W-160P-DN3 | 铬镍不锈钢 | 铬镍不锈钢 | 聚四氟乙稀、柔性石墨 |
| J24W-320P-DN6 | 优质碳钢 | 铬镍不锈钢 | 聚四氟乙稀、柔性石墨 |
主要性能规范
| 型号 | 公称压力(MPa) | 试验压力(MPa) | 工作压力 (MPa) | 工作温度 (℃) | 适用介质 | ||
| 壳体 (MPa) | 密封 (液) | 密封 (气) | |||||
| J24W-160P-DN3 | 16.0 | 24.0 | 17.6 | 0.6 | 16.0 | P≤540℃ | 液化石油气水、酸、蒸汽、油品等 |
| J24W-320P-DN6 | 32.0 | 48.0 | 35.2 | 0.6 | 32.0 | C≤425℃ | |
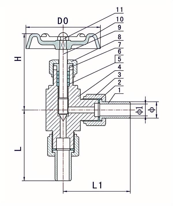
外形结构图

主要外形尺寸
| 型号 | 公称直径DN(mm) | 尺寸 | 重量(Kg) | |||||
| L1 | Do | H | H1 | D | D1 | |||
| J24W-160P-DN3 | 3 | 80 | 65 | 159 | 168 | 14 | 3 | 1.0 |
| J24W-320P-DN6 | 6 | 80 | 65 | 159 | 168 | 14 | 6 | 1.0 |

