价格:¥100.00/件
品牌:高川
标签: 气动法兰软密封蝶阀
起订:1件
供应:100件
发货:3天内
发送询价
| 产品名称: | 气动法兰软密封蝶阀 | 产品型号: | D641X、D641F |
| 公称通径: | DN50~DN1000 | 阀座密封: | 丁青橡胶、聚四氟乙烯 |
| 公称压力: | 1.0Mpa~1.6MPa | 连接方式: | 对夹、法兰 |
| 适用温度: | -20ºC~+150ºC | 驱动方式: | 手动、蜗轮、电动、气动 |
| 阀体材质: | 铸铁、球墨铸铁、铸钢、不锈钢 | 制造标准: | 国标GB、德国DIN、美国API、ANSI |
| 适用介质: | 水、油、气体、粉体、液体 | 生产厂家: | 浙江高川机械科技有限公司 |
产品说明
D641X气动法兰软密封蝶阀是由气动活塞式执行器、橡胶密封蝶阀和碳钢或不锈钢阀板、阀杆构成。气动法兰软密封蝶阀适用于温度≤120℃如食品、医药、化工、石油、电力、轻纺、造纸等给排水、气体管道上作调节流量和截流介质的作用。
主要特点
(1)设计新颖、合理、结构独特,重量轻,启闭迅速。
(2)操力矩小,操作方便,省力灵巧。
(3)可以任何位置安装,维修方便。
(4)密封件可以更换,密封性能可靠达到双向密封零泄漏。
(5)密封材料耐老化、耐腐蚀,使用寿命长等特点。
设计标准
| 设计标准 | GB/T12238-1989 |
| 法兰连接尺寸 | GB/T9113.1-2000;GB/T9115.1-2000;78 |
| 结构长度 | GB/T12221-1989 |
| 压力试验 | GB/T13927-2000;/T9092-1999 |
技术参数
| 公称通径DN(mm) | DN50~1000mm |
| 公称压力(MPa) | PN1.0、1.6、2.5MPa |
| 阀体形式 | 直通铸造阀体 |
| 连接形式 | 法兰式、对夹式 |
| 阀芯形式 | 蝶板式 |
| 密封填料 | 柔性石墨、聚四氟乙烯 |
| 基本误差 | 带定位器:小于全行程的±2% |
| 回差 | 带定位器:小于全行程的±2% |
| 控制方式 | 开关型(开关两位控制)、调节型(4~20mA控制) |
气动执行器参数
| 执行器型号 | GT、AT、AR、AW系列单双作用气动执行器 |
| 供气压力 | 0.4~0.7MPa |
| 气源接口 | G1/4"、G1/8"、G3/8"、G1/2" |
| 环境温度 | -30~+70℃ |
| 作用形式 | 单作用执行机构:气关式(B)--失气时阀位开(FO);气开式(K)--失气时阀位关(FC) 双作用执行机构:气关式(B)--失气时阀位保持(FL);气开式(K)-- 失气时阀位保持(FL) |
| 可配附件 | 定位器、电磁阀、空气过滤减压器、保位阀、行程开关、阀位传送器、手轮机构等 |
采用新型系列气动执行器,有双作用式和单作用式(弹簧复位),齿轮齿条传动,安全可靠;大口径阀门采用系列AW型气动执行器拔叉式传动,结构合理,输出扭矩大,有双作用式和单作用式。
1、齿轮式双活塞,输出力矩大,体积小。
2、气缸选用铝金材料,重量轻、外形美观。
3、可在顶部、底部安装手动操作机构。
4、齿条式连接可调节开启角度、额定流量。
5、执行器可选带电讯号反馈指示及各类附件以实现自动化操作。
6、IS05211标准连接为产品的安装更换提供了方便。
7、两端调的节螺钉可使标准产品在0°和90°有±4°的可调范围。确保与阀门的同步精度。
零件材料
| 零件名称 | 主要材料 |
| 阀体 | 灰铸铁、球墨铸铁、铸钢、合金钢、不锈钢 |
| 蝶板 | 灰铸铁、球墨铸钢、铸钢、不锈钢及特殊材料 |
| 密封圈 | 各种橡胶、聚四氟 |
| 阀杆 | 2Cr13、不锈钢 |
| 填料 | O型圈、柔性石墨O |
性能规范
| 公称通径 | DN(mm) | 50~1000 | ||
| 公称压力 | PN(MPa) | 0.6 | 1.0 | 1.6 |
| 试验压力 | 强度试验 | 0.9 | 1.5 | 2.4 |
| 密封试验 | 0.66 | 1.1 | 1.76 | |
| 气密封试验 | 0.6 | 0.6 | 0.6 | |
| 适用介质 | 空气、水、污水、蒸气、煤气、油品等。 | |||
| 驱动形式 | 气动传动 | |||
密封材料和适用温度
| 材料品种 | 氯丁橡胶 | 丁晴橡胶 | 乙丙橡胶 | 聚四氟乙烯 | 硅橡胶 | 氟橡胶 | 天然橡胶 | 尼龙 |
| 英语简称 | CR | NBR | EPDM | PTFE | SI | VITON | NR | PA |
| 型号代号 | X或J | XA或JA | XB或 | F或XC、JC | XD或JD | XE或JE | X1 | N |
| 耐最高温度 | 82℃ | 93℃ | 150℃ | 232℃ | 250℃ | 204℃ | 85℃ | 93℃ |
| 耐最低温度 | -40℃ | -40℃ | -40℃ | -268℃ | -70℃ | -23℃ | -20℃ | -73℃ |
| 适用工作温度 | 0~+80℃ | -20~+82℃ | -40~+125℃ | -30~+150℃ | -70~+150℃ | -23~+150℃ | -20~+85℃ | -30~+93℃ |

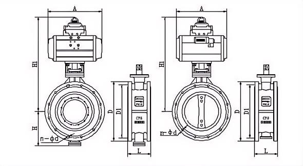
主要外形尺寸
| 公称通径 | 长度 | 外形尺寸(参考值) | 连接尺寸(标准值) | |||||||||||
| 0.6MPa | 1.0MPa | 1.6MPa | ||||||||||||
| 毫米 | 英寸 | L | H | H1 | A | D | D1 | n-d | D | D1 | n-d | D | D1 | n-d |
| 50 | 2 | 108 | 63 | 315 | 180 | 140 | 110 | 4-14 | 165 | 125 | 4-18 | 165 | 125 | 4-18 |
| 65 | 21/2 | 112 | 70 | 330 | 180 | 160 | 130 | 4-14 | 185 | 145 | 4-18 | 185 | 145 | 4-18 |
| 80 | 3 | 114 | 83 | 390 | 245 | 190 | 150 | 4-18 | 200 | 160 | 8-18 | 200 | 160 | 8-18 |
| 100 | 4 | 127 | 105 | 431 | 240 | 210 | 170 | 4-18 | 220 | 180 | 8-18 | 220 | 180 | 8-18 |
| 125 | 5 | 140 | 115 | 455 | 240 | 240 | 200 | 8-18 | 250 | 210 | 8-18 | 250 | 210 | 8-18 |
| 150 | 6 | 140 | 137 | 626 | 350 | 265 | 225 | 8-18 | 285 | 240 | 8-22 | 285 | 240 | 8-22 |
| 200 | 8 | 152 | 164 | 720 | 350 | 320 | 280 | 8-18 | 340 | 295 | 8-22 | 340 | 295 | 12-22 |
| 250 | 10 | 165 | 206 | 800 | 550 | 375 | 335 | 12-18 | 395 | 350 | 12-22 | 405 | 355 | 12-26 |
| 300 | 12 | 178 | 230 | 860 | 600 | 440 | 395 | 12-22 | 445 | 400 | 12-22 | 460 | 410 | 12-26 |
| 350 | 14 | 190 | 248 | 883 | 600 | 490 | 445 | 12-22 | 505 | 460 | 16-22 | 520 | 470 | 16-26 |
| 400 | 16 | 216 | 289 | 972 | 600 | 540 | 495 | 16-22 | 565 | 515 | 16-26 | 580 | 525 | 16-30 |
| 450 | 18 | 222 | 320 | 1043 | 750 | 595 | 550 | 16-22 | 615 | 565 | 20-26 | 640 | 585 | 20-30 |
| 500 | 20 | 229 | 343 | 1098 | 750 | 645 | 600 | 20-22 | 670 | 620 | 20-26 | 715 | 650 | 20-33 |
| 600 | 24 | 267 | 413 | 1236 | 750 | 755 | 705 | 20-26 | 780 | 725 | 20-30 | 840 | 770 | 20-36 |
| 700 | 28 | 430 | 478 | 1431 | 750 | 860 | 810 | 24-26 | 895 | 840 | 24-30 | 910 | 840 | 24-36 |
| 800 | 32 | 470 | 525 | 1488 | 750 | 975 | 920 | 24-30 | 1015 | 950 | 24-33 | 1025 | 950 | 24-39 |
| 900 | 36 | 510 | 620 | 1615 | 1250 | 1075 | 1020 | 24-30 | 1115 | 1050 | 28-33 | 1125 | 1050 | 28-39 |
| 1000 | 40 | 550 | 725 | 1765 | 1500 | 1175 | 1120 | 28-30 | 1230 | 1160 | 28-36 | 1255 | 1170 | 28-42 |
| 1200 | 48 | 630 | 780 | 1976 | 1500 | 1405 | 1340 | 32-33 | 1455 | 1380 | 32-39 | 1485 | 1390 | 32-48 |




