价格:¥100.00/件
品牌:高川
标签: 美标凸耳蝶阀
起订:1件
供应:100件
发货:3天内
发送询价
| 产品名称: | 美标凸耳蝶阀 | 产品型号: | D373H |
| 公称通径: | DN50~DN2400 | 阀座密封: | 金属密封 |
| 公称压力: | 1.6Mpa~5.0MPa、150LB-300LB | 连接方式: | 对夹、法兰 |
| 适用温度: | -20ºC~+425ºC | 驱动方式: | 手柄、蜗轮、气动、电动 |
| 阀体材质: | WCB、铸钢、碳钢、不锈钢 | 制造标准: | 国标GB、德国DIN、美国API、ANSI |
| 适用介质: | 水、油、蒸汽、海水 | 生产厂家: | 浙江高川机械科技有限公司 |
产品说明
D373H美标凸耳蝶阀采用三维偏心斜锥形阀座密封,蝶板密封采用新型金属片与弹性材料层叠而成,嵌装在蝶板上与阀座吻合。利用蝶板摆动压紧密封,所以密封面摩擦阻力小,关闭时具有越关越紧功能,这样密封性可靠,开启确保密封面完全脱离接触,保证了密封面不受损伤。该蝶阀结构特点排除了其他类型蝶阀开过位而不能密封的缺点,且在高曙下能正常使用,克服了其它类型阀门在高温使用时因热膨胀而容易泄漏的缺点。该蝶阀耕具使用介质要求,选用不同密封面材料,以保证密封面耐磨损、耐腐蚀、使用寿命长。
设计标准
| 设计标准 | API609-83 |
| 法兰连接尺寸 | ANSI B16.5 |
| 结构长度 | ANSI B16.10-1992 |
| 压力试验: | API598-82 |
主要技术参数
| 公称通径 | DN(mm) | 2"~36" | |
| 公称压力 | PN(Mpa) | 150Lb | 300Lb |
| 试验压力 | 强度试验 | 3.0 | 7.5 |
| 密封试验 | 2.2 | 5.5 | |
| 适用介质 | 水、蒸汽、油品、海水等 | ||
| 适用温度 | -29℃~425℃ | ||
主要零件的材质
| 零件名称 | 材料 |
| 阀体 | WCB、304、316、316SS、CF8M |
| 蝶板 | WCB、304、316、316SS、CF8M |
| 阀杆 | 316、2Cr13、1Cr18Ni9Ti |
| 密封圈 | 316、氟塑料 |
| 填料 | 柔性石墨、氟塑料 |

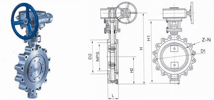
主要外形尺寸
| 型号 | 英寸 | L | L1 | D | D1 | D2 | H2 | H1 | H | M | Z-d | Wt/kgs | |||||||||
| 英寸 | 毫米 | 英寸 | 毫米 | 英寸 | 毫米 | 英寸 | 毫米 | 英寸 | 毫米 | 英寸 | 毫米 | 英寸 | 毫米 | 对夹式 | 法兰式 | ||||||
| D373H-150LB | 2" | 1.72 | 43 | 14.25 | 108 | 6.00 | 152 | 4.75 | 120.5 | 3.62 | 92 | 4.33 | 110 | 11.02 | 280 | 13.58 | 345 | M18 | 4-19 | 9 | 20 |
| 3" | 1.93 | 49 | 4.50 | 114 | 7.50 | 190 | 6.00 | 152.5 | 5.00 | 127 | 4.92 | 125 | 12.40 | 315 | 14.96 | 380 | M18 | 4-19 | 11 | 29 | |
| 4" | 2.20 | 56 | 5.00 | 127 | 9.00 | 229 | 7.50 | 190.5 | 6.19 | 157 | 5.70 | 145 | 13.78 | 350 | 16.34 | 415 | M20 | 8-19 | 13 | 33 | |
| 5" | 2.50 | 64 | 5.50 | 140 | 10.00 | 254 | 8.50 | 216 | 7.32 | 186 | 6.50 | 165 | 15.35 | 390 | 17.91 | 455 | M20 | 8-22 | 16 | 38 | |
| 6" | 2.75 | 70 | 5.50 | 140 | 11.00 | 279 | 9.50 | 241.5 | 8.50 | 216 | 6.89 | 175 | 17.91 | 455 | 21.45 | 545 | M20 | 8-22 | 26 | 74 | |
| 8" | 2.80 | 71 | 5.90 | 150 | 13.50 | 343 | 11.75 | 298.5 | 10.62 | 270 | 8.26 | 210 | 20.67 | 252 | 24.21 | 615 | M24 | 8-22 | 34 | 86 | |
| 10" | 3.00 | 76 | 6.30 | 160 | 16.00 | 406 | 14.25 | 362 | 12.75 | 324 | 9.84 | 250 | 23.81 | 605 | 27.36 | 695 | M24 | 12-25 | 51 | 142 | |
| 连接尺寸 | 12" | 3.38 | 86 | 7.00 | 178 | 19.00 | 483 | 17.00 | 432 | 15.00 | 381 | 11.24 | 285 | 28.74 | 730 | 32.78 | 830 | M27 | 12-25 | 72 | 167 |
| 14" | 3.63 | 92 | 7.50 | 190 | 21.00 | 533 | 18.75 | 476 | 16.25 | 413 | 12.60 | 320 | 31.50 | 800 | 35.43 | 900 | M27 | 12-29 | 106 | 218 | |
| 16" | 4.00 | 102 | 8.50 | 216 | 23.50 | 597 | 21.25 | 540 | 18.50 | 470 | 13.98 | 355 | 34.25 | 870 | 38.58 | 980 | M30 | 16-29 | 133 | 275 | |
| 18" | 4.50 | 114 | 8.74 | 222 | 25.00 | 635 | 22.75 | 578 | 21.00 | 533 | 14.96 | 380 | 36.22 | 920 | 40.55 | 1030 | M30 | 16-32 | 176 | 315 | |
| D373H-300LB | 20" | 5.00 | 127 | 9.00 | 229 | 27.50 | 399 | 25.00 | 635 | 23.00 | 584 | 16.34 | 415 | 39.37 | 1000 | 43.70 | 1110 | M33 | 20-32 | 190 | 395 |
| 24" | 6.06 | 154 | 10.50 | 267 | 32.00 | 813 | 29.50 | 750 | 27.25 | 692 | 18.70 | 475 | 45.51 | 1155 | 51.37 | 1305 | M33 | 20-35 | 394 | 580 | |
| 30" | 6.50 | 165 | 11.50 | 292 | 38.75 | 985 | 36.00 | 914 | 33.75 | 857 | 22.38 | 580 | 54.13 | 1375 | 60.03 | 1525 | M39 | 28-35 | 476 | 717 | |
| 32" | 7.50 | 190 | 12.50 | 318 | 41.75 | 1060 | 38.50 | 978 | 36.00 | 914 | 24.80 | 630 | 56.50 | 1435 | 62.40 | 1585 | M39 | 28-41 | 618 | 880 | |
| 36" | 8.00 | 203 | 13.00 | 330 | 46.00 | 1168 | 42.75 | 1085 | 40.25 | 1022 | 26.77 | 680 | 62.40 | 1585 | 69.48 | 1765 | M20 | 32-41 | 762 | 1042 | |
| 6" | 2.75 | 70 | 9.5 | 240 | 3.5 | 216 | 6.89 | 175 | 17.91 | 435 | 21.45 | 545 | M20 | 8-22 | 28 | ||||||
| 8" | 2.80 | 71 | 11.75 | 298 | 10.62 | 270 | 8.26 | 210 | 20.67 | 525 | 24.21 | 615 | M24 | 8-22 | 36 | ||||||
| 10" | 3.00 | 76 | 14.25 | 362 | 12.75 | 324 | 9.84 | 250 | 23.81 | 605 | 27.36 | 695 | M24 | 12-25 | 53 | ||||||
| 12" | 3.38 | 86 | 17.00 | 432 | 15.00 | 381 | 11.24 | 285 | 28.74 | 730 | 32.78 | 830 | M27 | 12-25 | 74 | ||||||
| 14" | 3.63 | 92 | 18.75 | 476 | 16.25 | 413 | 12.64 | 320 | 31.50 | 800 | 35.43 | 900 | M27 | 12-29 | 110 | ||||||
| 16" | 4.00 | 102 | 21.25 | 540 | 18.50 | 470 | 13.98 | 355 | 34.25 | 870 | 38.58 | 980 | M30 | 16-29 | 138 | ||||||


