价格:¥10.00/台
品牌:苏科
标签: 同轴导波雷达物位计
起订:1台
供应:1000台
发货:3天内
发送询价
同轴导波雷达物位计http://www.china-suke.com/product-bs37.html
测量原理
SKGW53同轴导波雷达物位计是基于时间行程原理的测量仪表,雷达波以光速运行,运行时间可以通过电子部件被转换成物位信号。探头发出高频脉冲并沿缆绳传播,当脉冲遇到物料表面时反射回来被仪表内的接收器接收,并将距离信号转化成物位信号。
SKGW53同轴导波雷达物位计参数
应 用:介电常数低或表面波动液体
测量范围: 6m
过程连接:螺纹、法兰
介质温度:-40~150℃
过程压力:-0.1~4.0Mpa
精 度:±10mm
防爆等级:Exd IIBT4 Gb
防护等级:IP67
信号输出:4~20mA/HART(两线/四线)
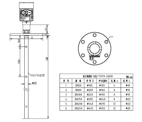
SKGW53同轴导波雷达物位计外型尺寸图
