当前,中国已经成为世界石油和化工大国,占据全球市场份额的40%。随着千万吨级炼油和百万吨级乙烯一体化项目的不断涌现,石化生产装置的规模日趋大型化、密集程度越来越高,对生产操作、控制、安全、环保及节能要求也日益严格,营造安全高效、绿色智能的生产环境已经成为石化企业实现高质量发展的共识。

某石化企业始建于上世纪50年代,以建设世界级高端石化产业基地为目标,持续升级和完善自身能力,目前已拥有炼油能力2000万吨/年,乙烯生产能力110万吨/年,每年可生产合成树脂、合成橡胶、液体有机化工原料等系列产品200多个品种共380多万吨。
随着基地规模的不断升级,以及下游高附加值产品的引入,企业对安全、增效、节能、环保的要求也在提升。该企业希望通过引入领先的自动化、数字化和智能化技术,加快构筑智慧生产经营生态圈,全力推动提质增效升级,为集团公司打造世界领先洁净能源化工公司的愿景目标贡献力量。
挑战
作为新中国自主建设的第一批石化企业,该企业的发展质量与效益始终居于国内炼化企业前列,是中国首家炼油加工能力达到千万吨级的炼油厂,也是中国首个百万吨乙烯厂。创造多个“第一”的背后,离不开企业的智慧与实干,以及对安全、高效、绿色发展的执著追求。
石油化工生产过程具有高温、高压、易燃、易爆等特点,国家对于行业安全性的要求也越来越高,在基地的改扩建过程中,该企业希望通过安稳生产,为创效打好基础,需要稳定且优质的安全管理解决方案。
此外,随着装置规模不断扩大,工作人员维护工作量也在不断加大,需要优化和先进控制软件提升效益,降低工作人员负荷。
节能增效是石化企业的重要目标之一,在发展中,该企业牢固树立“绿水青山就是金山银山”理念,全面实施绿色低碳发展战略,节能设备成为迫切需求。同时,不断新增的炼油和化工工艺装置,对人员和设备的要求也越来越高,设备在实现节能的同时,其可靠性和稳定性也是企业在选择中的重要考量。
解决方案

“
世界级的石化基地建设,需要世界级的合作伙伴。面对该企业在安全环保、节能增效等方面不断提升的需求,罗克韦尔自动化为客户相继设计并部署了包括安全仪表系统、PAVILION先进控制系统、中压变频器、PlantPAx分布式控制系统等自动化、电气化和信息化解决方案。
罗克韦尔自动化致力于帮助石化企业应对当今的机遇与挑战。在提高安全性方面,罗克韦尔自动化的安全仪表系统为石化企业开发了多样性的过程安全产品及集成解决方案,用于石化装置的紧急停车控制、火灾和有毒有害气体探测以及机组控制。
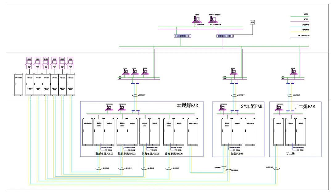
该项目共计使用SIS系统26套,CCS系统4套,GDS系统23套,分别应用于催化、制氢、常减压、裂解、硫磺回收、干气回收、浆态床渣油加氢、轻油联合、丁二烯、储运、聚丙烯、化工可燃有毒气体监测等工艺过程。
罗克韦尔自动化的安全仪表系统支持单重化、双重化和三重化硬件冗余结构。多重冗余消除了由单一组件失效所引起误动作或者伪操作的可能性。当有组件失效时,系统自动降级处理。系统支持多种通信协议和通信方式,可以方便地与第三方设备互联,并具备强大的诊断功能,确保了生产装置的安全、稳定、长周期运行。
在环保和提高生产效率方面,罗克韦尔自动化的PAVILION先进控制解决方案可以有效帮助石化企业降低排放,提高产量,降低生产成本。该项目选用PAVILION作为聚烯烃的先进控制解决方案,PAVILION为客户提供了熔融指数的闭环控制和牌号自动切换等其他系统难以实现的功能,可以帮助客户在降低劳动负荷的前提下,提高产量和产品质量,提高效益实现卡边控制。此外,罗克韦尔自动化提供的高可靠性中压变频解决方案为客户节能增效和长周期的稳定运行提供保障,在提供更灵活和精确的控制前提下实现节能增效。
在数字化方面,超越传统DCS的PlantPAx分布式控制系统可以更加智能地结合生产工艺,并无缝集成其他电气设备,真正实现生产管理及自动化、电气、仪表的一体化,助力企业向智能制造迈进。
SIS系统结构图

GDS系统网络图

效果

随着改扩建装置的陆续投产,罗克韦尔自动化的解决方案在安全、环保、节能和高效方面的价值日渐凸显。PAVILION先进控制系统在减少操作人员劳动负荷和最大处理量的同时,实现熔融指数的自动切换,减少切换时间和由于切换而带来不合格品数量。安全仪表系统有效保障了生产安全,避免因安全事故造成的人员、人身安全危害和经济损失,减少用户非计划停机造成的经济损失。中压变频解决方案则让客户在实现高可靠性和稳定性运行的基础上,尽享能效价值。
通过持续的改扩建和提质升级,该石化企业塑造了竞争新优势,并结出了累累硕果。企业连续9年获乙烯行业能效“领跑者”称号,并先后荣膺“全国智能制造试点示范企业”、“集团首批绿色企业”,2020年更是取得集团炼化企业效益第一的成绩。罗克韦尔自动化产品质量的稳定性、服务的积极性和卓越的数字化能力获得了客户的高度认可。
随着全球新一轮科技革命和产业变革加速演进,双方的合作也在由传统的过程控制、安全仪表、电气解决方案向数字化、智能化解决方案转型迈进。当前,该企业正在以大数据、人工智能、物联网及5G等新一代技术为基础,加速新技术与传统石化工业的融合,积极推动企业向数字化主导的现代化运营新模式转变,在建设智能炼厂、智慧管网、智慧加油站等方面不断探索尝试。罗克韦尔自动化也将继续与客户携手,依托远程运维、工业物联网、AR等新兴技术,为能源化工行业的高质量发展聚能蓄力。