闭环 · 小巧 · 精密
精准闭环是智能设备实现卓越性能的核心关键。在自动化、医疗、实验室、安防、视觉等小型应用中,作为核心部件的电机被要求在具备更高精度和性能的同时,还要拥有更小体积、更简化的接线方式,以及实现闭环控制。因此市场对于小型高效能闭环电机的期待越来越具体和细化,也对电机厂家的专业度提出更高的要求。
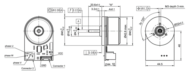
为此,纳诺达克进一步优化外转子系列电机,推出DF45-E。基于DF45直流无刷电机,我们为其集成编码器,完善这一系列无刷电机的闭环控制。延续标准DF45系列电机的优越性能,DF45-E还配备霍尔传感器。
得益于其扁平的设计,Nanotec的外转子电机高度适配对紧凑性和扭矩驱有高要求的应用。编码器的集成使它们成为高精度定位应用的完美选择。
结合行星齿轮箱和电机控制器,它们覆盖了广泛的应用,包括工业自动化。



配套
DFA45-E采用标准设计
它可以与纳诺达克行星变速箱GP42, GPLE40和GPLK42相结合
配套纳诺达克电机控制器:C5-E, CL4-E和NP5
可根据要求定制绕组,轴和电机长度
应用
自动化 - 自主移动机器人的升降机构
物流 - 轨道引导穿梭车的驱动车轮
运输 - 紧凑传送带的连接驱动
医疗技术 - 前臂假肢的关节驱动
机器制造 - 在贴标机中定位
采编:www.znzbw.cn