2022年1月5日,致力于亚太地区市场的领先半导体元器件分销商---大联大控股宣布,其旗下世平推出基于安森美(onsemi)NCP51561高压隔离驱动器的高频小型化工业电源方案。

图示1-大联大世平基于onsemi产品的高频小型化工业电源方案的展示板图
在“双碳”话题愈演愈烈的当下,以GaN氮化镓/SiC碳化硅为材料的功率半导体器件进入了加速发展车道。GaN和SiC被称为“宽带隙半导体(WBG)”,具备耐高温、耐高压、高频率、大功率、抗辐射等优异特性,可以帮助产品实现更高的开关效率。据业内人士介绍,GaN是最接近理想的半导体开关器件,能够以非常高的效能和高功率密度来实现电源转换,轻松满足服务器和云端数据中心最严格的80+规范或USB PD外部适配器的欧盟行为准则Tier 2标准。基于此背景,大联大世平推出基于onsemi NCP51561的高频小型化工业电源方案。

图示2-大联大世平基于onsemi产品的高频小型化工业电源方案的场景应用图
NCP51561是onsemi推出的一款高压隔离型双通道门极驱动器,具有4.5A源电流和9A灌电流峰值能力。该新器件适用于硅功率MOSFET和基于SiC的MOSFET器件的快速开关,提供短且匹配的传播延迟。

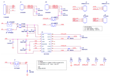
图示3-大联大世平基于onsemi产品的高频小型化工业电源方案的方块图
此外,NCP51561还具有两个独立的5kVRMS(UL1577级)电隔离门极驱动器通道,可用作两个下桥、两个上桥开关或一个半桥驱动器,具备可编程的死区时间。不仅如此,器件的一个使能引脚能同时关断两个输出,且NCP51561提供其他重要的保护功能,如用于两个门极驱动器的独立欠压锁定(UVLO)和使能功能。得益于这些出色的功能,可有效提高小型化工业电源的能源转换效率。
核心技术优势:
- 两个输出驱动器拥有独立UVLO保护;
- 输出电压为6.5V至30V,具有5V、8V和17V UVLO阈值;
- 4A峰值电流源,8A峰值电流吸收;
- 150V/ns dV/dt抗扰度;
- 36 ns典型传递延迟;
- 8 ns最大延迟匹配;
- 可编程输入逻辑;
- 通过ANB的单或双输入模式;
- 可编程死区时间;
- Enable功能;
- 隔离与安全:
- 从输入到每个输出的5kVRMS电流隔离和输出通道之间的1200V峰值差分电压;
- 1200V工作电压(根据VDE0884−11要求)。
方案规格:
- 双低侧、双高侧或半桥驱动器;
- 输出电源电压为6.5V至30V,具有5V、8V和17V UVLO阈值;
- 4A峰值电流源,8A峰值电流吸收。