目前国内首个基于碳化硅(SiC)变流技术的永磁直驱牵引系统项目,苏州 3 号线 0312 号列车。其牵引电机的控制方式为轴控(1C1M),即每个牵引变流器箱体内包含四个 SiC 逆变模块,每个模块独立控制一台电机。牵引电机以直驱抱轴的方式安装在车轴上,不需要再安装齿轮箱及联轴节,实现了车辆轻量化的目的。
由于采用完全的 SiC 半导体技术替代传统 IGBT 技术,大大提升了变流器的开关频率,实现了准正弦输出电压来驱动永磁直驱电机方案,使得电机的损耗得到显著降低,因此可以实现电机的自然冷却。在提高系统效率的同时降低了噪声,提升了乘客的舒适度。
本文我们并不聊轨道牵引,厉害的 C 位永远离不开优秀的辅助,今天我们就来聊聊机车辅助电源。
机车牵引作为 C 位,负责机车跑动的主要任务,但是跑得好不好,跑得舒不舒服,跑得得不得劲儿,则需要一些列的辅助装置。比如,各冷却用装置,为制动、受电弓等各种气动机械装置提供风源的空气压缩机等等;同时,为了提供良好舒适的乘坐环境,还装备有空调、热水器、通风机、冰箱、信息显示装置、自动售货机等等,而这些都需要三相交流辅助电源系统。而机车上的控制系统和照明系统则需要直流电源供电以及还配备有应急用蓄电池供电系统。
三相交流电源系统和直流电源系统称为辅助电源系统~
01 三相交流辅助电源系统
三相交流辅助电源系统大多采用与牵引变流器分开的辅助变流器生成三相交流电。可以有以下分类:
①根据输入侧的不同,可分为 AC-DC-AC 型和 DC-AC 型;
②根据输出侧的不同,可分为恒压恒频和变压变频型,同一车型上,一般 CVCF 型和 VVVF 型逆变器的硬件结构相同,只是控制方式不同;
③根据主电路电平级数的不同,可分为两电平和三电平辅助变流器;这两种拓扑各有各的特点:两电平结构和控制较为简单,三电平可以降低其开关器件的耐压等级,输出波形相对较好,谐波较少,但是其使用器件较多,控制相对复杂。
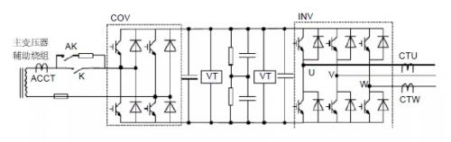
1.AC-DC-AC 型辅助变流系统
下图是其辅助变流器电路图:

交 - 直 - 交辅助变流器是由牵引变压器的辅助绕组供电的,与牵引变流器相同,一般由网侧变流器、中间直流回路、三相逆变器组成。由于接触网电压波动较大,所以辅助变流器的单相交流电也有较大的波动,为了获得较为稳定的中间直流回路电压,必须采用可控整流电路。
以前采用的相控整流电路,电路和控制简单,造价较低,但是网侧的功率因数较低,对电网的影响较大;而脉冲整流器可以使得网侧的功率因数接近 1,并且动态响应较好。除了整流部分,其他的部分都差不多,交 - 直 - 交型辅助变流器的缺点是过分相时将失电,导致所有的三相辅机均停止运行。
2.DC-AC 型辅助变流器
直 - 交型辅助变流器是从直流电网(DC750V 或 DC1500V 或者从牵引变流器的中间直流环节取电)经逆变器实现直流到三相交流的转换。
由于输入电压较高,为了保证输出电压满足辅助设备需要的电压等级,一般需采用降压设备。降压的方式有两种:先逆变后降压和先降压后逆变。
①先逆变后降压

先进行逆变,再经过三相降压变压器将较高的交流电压降到所需要的电压等级。
此电路的特点是开关器件数量较少,控制较为简单,但是也有缺点,输出三相电压容易受到直流输入电压的影响,当直流输入电压较高时逆变器中开关器件的耐压要求较高,成本也会相应的高。Δ-Y 型变压器在实现降压功能的同时,还实现了高压输入电源的回路和负载回路之间的相互隔离。
②先降压后逆变
先降压后逆变的方式,最简单的就是单管 Buck 电路,还有复杂一些的。
❖最简单的 Buck 电路

通过降压斩波的闭环控制来保持逆变器输入电压的恒定,从而消除输入电压的波动对三相逆变器输出的影响;同时,整个电路中,斩波器中需要较大功率的开关器件,而后端逆变电路中的开关器件可以选择较低电压等级的开关器件,从而降低成本。但这种方式没有实现输入电压和输出电压的隔离,同时需要对逆变器和负载等增加保护电路,以防在前几的斩波器失去控制后达到相应的保护。
❖较为复杂点的

降压电路通过直 - 交 - 直变换,将直流输入电压转换为标准的电压后输入给后端的三相逆变器。
在输入侧采用两个半桥逆变器串联,输出侧采用两个全桥整流器串联,这样可以降低开关器件的电压应力。由半桥逆变器将输入直流变为脉宽可控的高频方波,再通过二极管不可控整流和 LC 滤波器将高频方波转变为平稳的直流电压。
这样的降压电路经过了两级功率变换,使用的元器件较多,但逆变部分的结构并不复杂,控制也相对简单。但这种方式技术和经济指标还是很高的。
02. 直流电源系统
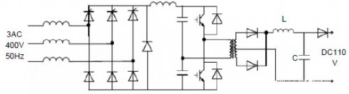
直流电源系统为列车照明和控制系统供电,以及应急供电,其电压等级一般为 DC110V。直流电源系统包含蓄电池和蓄电池充电机,正常情况下,由蓄电池充电机为直流负载供电,并为蓄电池充电;发生故障时,由蓄电池为直流负载供电。
蓄电池充电机的输入一般为辅助逆变器输出的三相恒压恒频交流电,也可以是交 - 直 - 交辅助变流器的中间直流电压,或者是牵引变流器中间直流电经降压后的电压。电路结构多样化:
①采用较大体积工频变压器的不可控整流器整流,输出的 DC110V 电压容易受到输入三相交流电的影响。

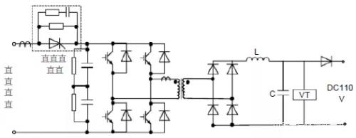
②三相交流电依次经过半控整流器、LC 滤波、单相半桥逆变器、带中心抽头变压器的双半波不可控整流、LC 滤波后输出 DC110V。

③输入为直流电压,采用方案②的后半部分进行变换

④输入也是直流电压,但是与方案③不同,采取了全桥逆变器、隔离变压器、二极管桥式整流器。

如今,辅助电源正往高频化、轻量化、低噪声、大容量、高可靠性等方向发展,与之相应的是开关器件的发展及电力电子技术的发展,优秀的辅助可以造就 C 位,稳住大局。
(采编:www.znzbw.cn)