现代工业对电力电子设备提出了很多要求:体积小、重量轻、功率大、发热少。面对这些要求,Si MOSFET因Si材料自身的限制而一筹莫展。SiC MOSFET因SiC材料的先天优势开始大显神通。SiC MOSFET大规模商用唯一的缺点就是价格。但随着良率的提升和采用更大尺寸的晶圆,SiC与Si之间的成本差距正在收窄,在整车系统总体成本反而有明显的优势。SiC MOSFET替代Si MOSEFET成为越来越多的厂家的新选择。
SiC MOSFET的驱动与Si MOSFET的区别之一是驱动电压不同,传统Si MOSFET驱动只要单电源正电压即可,而SiC MOSFET需要单电源正负压驱动。SiC MOSFET要替代Si MOSFET,就要解决负压电路如何实现的问题。
目前,SiC MOSFET多为+15/-3V与+20/-5V电压驱动。要在Si MOSFET单电源正压驱动电路中中实现负压电路,可以在驱动回路中增加少量元件产生所需要的负压,如需要+15/-3V的驱动电压,则单电压需要提供+18V即可,具体有如下两种方案可以实现。
方案一:
用+14V左右的稳压管Z1加上Z2管正向导通压降,在开通时候将电压稳定在+15V左右,这样在开关管导通时电容C10上就会有3V压降;开关管关断时候,驱动芯片内部下管导通加在GS上的电压为-3V。

图1
方案二:
用3V的稳压管Z1稳定驱动用的负压,开通的时候电容C10上稳定3V电压,则驱动正压就保持为15V,关断时候加在GS上电压就是电容C10的电压为-3V

图2
方案一和方案二的驱动波形如下:

图3:方案一驱动波形

图4:方案二驱动波形
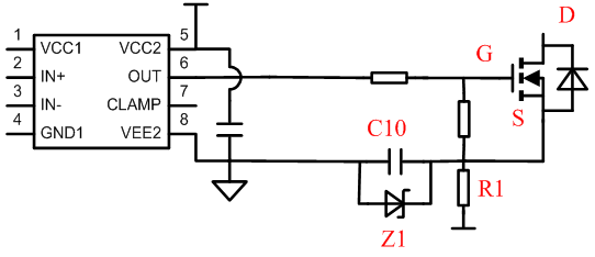
从上述两张驱动波形图可以看出:两个方案均能使用极少的元件实现所需要的驱动负压,但是器件第一次工作前均为0V,不能在常关状态下保持稳定负压,容易被干扰误开通。针对这一问题,可以通过增加一个电阻R1上拉,在上电后就预先给电容C10进行预充电稳压在3V,就可以实现未工作时保持负压,如图5.

图5
综上,在单电源供电的情况下,只需要对电路进行微小的调整,即可实现SiC MOSFET替代Si MOSFET。
派恩杰已量产650V-1700V电压平台SiC MOSFET,产品由30年车规历史的SiC代工厂X-FAB生产制造,符合车规标准,在光伏、新能源汽车等应用领域均可替代Si MOSFET和IGBT。
(采编:www.znzbw.cn)
