我服务多个行业客户,很多时候,客户要求我帮助他们提供与SolidWorks同样性价比,并易用的电气设计工具。我意识到原来电气设计师也面临与机械设计师很相近的挑战。很显然,我们可以对电气原理图设计运用同样的参数化建模方法。这一次,我推荐的是采用数据库高度智能化的绘图工具。像SolidWorks一样,elecworks允许用户从智能且丰富的数据库中调取信息,并使用这些信息自动生成所有所需的报告和文件。
通过内置智能纠错技术,软件能够在几秒钟内跨越多个图纸对设计规则进行检查(DRCs)并能准定位。就像一篇文章的作者总要返回去对自己的拼写和语法进行检查一样,我们认为对电气设计工作来讲,设计规则检查是一项非常重要的工作。没有拼写和语法检查,作家永远不可能完成作品,那你为什么不能对设计内容做自动纠错检查呢? 我从不认为有哪个工程师喜欢对他的设计做重复和繁琐的检查。工程师更喜欢设计和创新,而不是对数据做重复录入和检查。事实上,使用elecworks的客户告诉我,在数据录入,生成报告,检查错误的工作中他们平均每周能节约一到两天,因为软件可以100%代替人类完成这些工作。

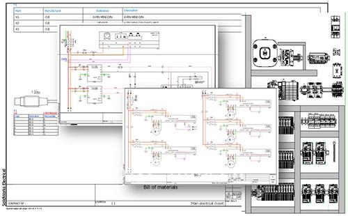
我经常会看到专业人员在CAD显示器和Excel显示器之间来回切换。使用传统的2D CAD工具使工作变得异常繁琐,而在各种表格之间的切换,使数据的修改变得很痛苦。手动录入报表和编辑线号所花费的时间和精力是令人难以置信的。电气设计的复杂性以及需要交付的工程数据包意味着智能软件存在的重要意义和价值。通过自动化的方法可以赢得生产力的大幅提升。
总之,智能化和参数化设计系统能为电气专业人员带来与专业机械设计软件一样的水平提升。像之前我们为公司节约时间和金钱一样。然而,对最终用户来说,更加美好的就是陪伴他们一天的是设计和创新,而非与电子表格生活一天。软件代替他们完成繁重的体力劳动,他们回到属于他们的工程师和设计的生活中来。
原文发布自solidworksblog,由Trace Software负责翻译整理,转载请注明出处。
(采编:www.znzbw.cn)
