电源设计工程师通常在汽车系统中使用一些DC/DC降压变换器来为多个电源轨提供支持。然而,在选择这些类型的降压转换器时需要考虑几个因素。例如,一方面需要为汽车信息娱乐系统/主机单元选择高开关频率DC/DC变换器(工作频率高于2 MHz),以避免干扰无线电AM频段;另一方面,还需要通过选择相对较小的电感器来减小解决方案尺寸。此外,高开关频率DC/DC降压变换器还可以帮助减少输入电流纹波,从而优化输入电磁干扰(EMI)滤波器的尺寸。
然而,对于正在尝试创建最新汽车系统的大型汽车原始设计制造商(ODM)来说,符合所要求的EMI标准至关重要。这些要求非常严格,制造商必须遵守诸多标准,如国际无线电干扰特别委员会(CISPR) 25标准。在很多情况下,如果制造商不符合标准,汽车制造商就无法接受相应的设计。
因此,对于DC/DC降压转换器的EMI性能提升,PCB布局至关重要。而要获得良好的EMI性能,优化大电流功率回路,减小寄生参数对于环路的影响是关键。
以LMR14030-Q1构成的两路输出降压转换器DC/DC降压变换器为例,如图1和图2所示的两种不同的印刷电路板(PCB)布局。红线显示的是功率回路在布局中的流动方式。图1中功率回路的流动方向呈U型,而图2中的流动方向呈I型。这两种布局是汽车和工业应用系统中最常见的布局。那么,哪一种布局更好呢?

图 1:U型布局

图 2:I型布局
传导EMI被分为差模和共模两种类型,差模噪声源自电流变化率(di/dt),而共模噪声则源自电压变化率(dv/dt)。而无论是di/dt还是dv/dt, EMI性能的关键点在于如何尽量减小寄生电感。
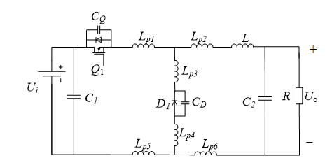
图3是降压变换器的等效电路。大多数设计人员都知道如何尽量减小高频回路中Lp1、Lp3、Lp4和Lp5的寄生电感,但忽略了Lp2和Lp6。对于两种不同的布局U型和I型,U型布局的Lp2和Lp6上的寄生电感相较于I型布局更小。在U型布局中,减小开关管Q1导通时的功率回路也将有助于提高EMI性能。

图 3:降压变换器等效电路
为了验证最佳布局,测量EMI数据显得至关重要。图4和图5对一个两路输出的变换器传导EMI进行了对比。同时,该电路采用移相控制,减小输入电流纹波,从而优化输入滤波器。从测试结果可以看出,U型布局的EMI性能优于I型布局的EMI性能,尤其是在高频的部分。

图 4:移相控制下的U型EMI性能

图 5:移相控制下的I型EMI性能
加入EMI滤波器可以有效地提高EMI性能。图6所示为一款简化版EMI滤波器,其中包括一个共模(CM)滤波器和一个差模(DM)滤波器。一般来说,差模滤波器的噪声小于30MHz,共模滤波器的噪声范围为30MHz至100MHz。两个滤波器都会影响EMI需要限制的整个频段。图7和图8分别对带有共模滤波器和差模滤波器的传导性EMI进行了对比。U型布局可以符合CISPR 25 3类标准,而I型布局则不符合。

图 6:简化的EMI滤波器

图 7:采用差模和共模滤波器的U型布局的EMI性能

图 8:采用差模和共模滤波器的I型布局的EMI性能
本文比较了移相控制下的双路输出降压变换器两种不同的PCB布局,可以看出,U型布局的EMI性能优于I型布局。欲了解更多信息,请参见TI官网应用报告“How SYNC Logic Affects EMI Performance for Dual-Channel Buck Converters”。
(作者:德州仪器Gavin Wang)
(采编:www.znzbw.cn)








