问:能否在200 ns内开启或关闭RF源?

答:
在脉冲雷达应用中,从发射到接收操作的过渡期间需要快速开启/关闭高功率放大器(HPA)。典型的转换时间目标可能小于1 μs。传统上,这是通过漏极控制来实现的。漏极控制需要在28 V至50 V的电压下切换大电流。已知开关功率技术可以胜任这一任务,但会涉及额外的物理尺寸和电路问题。在现代相控阵天线开发中,虽然要求尽可能低的SWaP(尺寸重量和功耗),但希望消除与HPA漏极开关相关的复杂问题。
本文提出了一种独特但简单的栅极脉冲驱动电路,为快速开关HPA提供了另一种方法,同时消除了与漏极开关有关的电路。实测切换时间小于200 ns,相对于1 μs的目标还有一些裕量。其他特性包括:解决器件间差异的偏置编程能力,保护HPA免受栅极电压增加影响的栅极箝位,以及用于优化脉冲上升时间的过冲补偿。
典型漏极脉冲配置
通过漏极控制开关HPA的典型配置如图1所示。一个串联FET开启输入HPA的高电压。控制电路需要将逻辑电平脉冲转换为更高电压以使串联FET导通。
此配置的难点包括:
► 大电流的切换要求从大容量电容到HPA漏极引脚的路径是一条低电感路径。
► 关闭时,漏极电容保有电荷,需要额外的放电路径。这是通过额外的FET Q2来实现的,对控制电路的约束随之增加:Q1和Q2绝不能同时使能。
► 很多情况下,串联FET是N沟道器件。这要求控制电路产生一个高于HPA漏极电压的电压才能开启。
控制电路的设计方法已是众所周知且行之有效。然而,相控阵系统不断期望集成封装并降低SWaP,因此希望消除上述难点。实际上,人们的愿望是完全消除漏极控制电路。

图1.传统HPA脉冲漏极配置。
推荐栅极脉冲电路
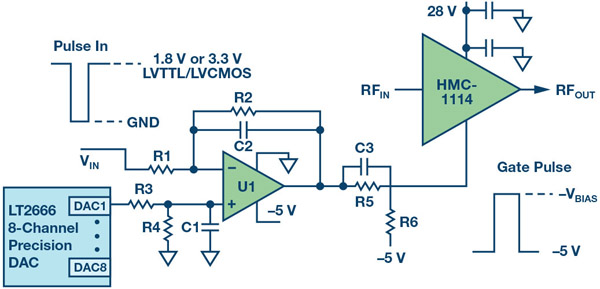
栅极驱动电路的目标是将逻辑电平信号转换成合适的GaN HPA栅极控制信号。需要一个负电压来设置适当的偏置电流,以及一个更大的负电压来关闭器件。因此,电路应接受正逻辑电平输入并转换为两个负电压之间的脉冲。电路还需要克服栅极电容影响,提供急速上升时间,过冲应极小或没有。
对栅极偏置设置的担忧是,偏置电压的小幅增加可能导致HPA电流的显著增加。这就增加了一个目标,即栅极控制电路应非常稳定,并有一个箝位器来防止受损。另一个问题是,设置所需漏极电流时,不同器件的最佳偏置电压有差异。这种差异使得人们更希望有系统内可编程栅极偏置特性。

图2.推荐HPA栅极驱动电路。
图2所示电路达成了所述的全部目标。运算放大器U1使用反相单负电源配置。利用一个精密DAC设置运算放大器基准电压,以实现V+引脚上的增益。当逻辑输入为高电平时,运算放大器箝位到负供电轨。当输入为低电平时,运算放大器输出接近一个小的负值,该值由电阻值和DAC设置决定。反相配置是故意选择的,目的是当逻辑输入为低电平或接地时开启HPA,因为逻辑低电平的电压差异小于逻辑高电平。采用轨到轨运算放大器,它具有较大压摆率和足够的输出电流驱动能力,适合该应用。
元件值选择如下:
► R1和R2设置运放增益。
► DAC设置连同R3和R4决定运算放大器V+引脚的基准电压。C1和R3针对低通滤波器噪声而选择。
► R5和R6用于实现重要的箝位功能。这是因为运放的VCC引脚以地为基准,所以这是运放输出的最大值。R5和R6为–5 V电源提供一个电阻分压器。
► R5的不利影响是由于栅极电容,它会减慢脉冲响应。这要通过增加C3来补偿,以实现陡峭的脉冲。
► C2的值较小,用以限制运放输出脉冲上升沿的过冲。

图3.测试设置。
实测数据
用于验证电路的测试设置如图3所示。对精密DAC、运算放大器和HPA使用评估板。一个脉冲发生器用于模拟1.8 V逻辑信号。信号发生器连续工作,利用一个输入带宽高于RF频率的RF采样示波器测量HPA对RF信号的开启/关闭。
测试所用的元器件值参见表1。
表1.所用元器件值

实测开启时间如图4所示。时间标度为每格500 ns,RF信号的上升时间小于200 ns。对于测量从栅极脉冲开始到RF脉冲上升沿结束的时间的系统,可以看到开启时间约为300 ns,这说明系统分配1 μs用于发射到接收转换会有相当可观的裕量。

图4.实测HPA开启时间。

图5.实测HPA关闭时间。
实测关闭时间如图5所示。时间标度同样是每格500 ns,下降时间明显快于上升时间,同样远小于200 ns,说明系统分配1 μs用于发射到接收转换会有相当可观的裕量。
布局考虑
对一个代表性布局做了尺寸研究,如图6所示。栅极脉冲电路的运算放大器部分放置在通向HPA输入的RF路径附近。精密DAC未显示出来,假定其放置在控制部分中,为多个发射通道提供输入。布局研究表明,可将该电路添加到实际的低成本PWB实现方案中,发射RF电路所需的额外空间极小。

图6.物理尺寸分配。
结语
本文提出了一种独特的栅极脉冲电路,并进行了HPA快速开/关评估。
其特性包括:
► 转换时间小于200 ns。
► 兼容任何逻辑输入。
► 通过可编程偏置消除器件间差异。
► 提供箝位保护以设置最大栅极电压。
► 上升时间/过冲补偿。
► 尺寸支持高密度相控阵应用。
先进电子系统集成度不断提高,要求缩小物理尺寸,因此可以想象,这种电路及其方法的其他变化,将开始在需要快速HPA转换时间的相控阵应用中激增。
(采编:www.znzbw.cn)








