简介
为升压调节器选择IC的过程与降压调节器不同,主要区别在于所需输出电流与调节器IC数据手册规格之间的关系。在降压拓扑中,平均电感电流基本上与负载电流相同。而升压拓扑的情形则不一样,它需要基于开关电流进行计算。本文介绍了升压调节器IC(带内部MOSFET)或控制器IC(带外部MOSFET)的选择标准,以及如何使用LTspice®选择合适的外围组件以构建完整的升压功率级。
开关电流为何重要
输入电压和输出电压是多少?这是选择降压或升压DC-DC转换器时要问的第一个问题。第二个问题是,满足预期负载所需的输出电流是多少?虽然降压和升压的输入和输出问题相同,但二者选择合适IC以满足输入和输出要求的过程大不相同。
如果将降压IC产品选型表与升压IC产品选型表进行比较,可以明显看到表明升压选择过程与降压选择过程不同的第一个提示。图1所示为一些内部电源开关降压产品的选型表。可以看出,输出电流是主要选型参数之一。

图1.将输出电流显示为选型参数的内部电源开关降压产品选型表
我们来比较一下图1(内部电源开关降压产品选型表)与图2(内部电源开关升压产品选型表)。在升压选型表中,输出电流甚至没有显示为选型参数,而是为开关电流所取代。

图2.开关电流代替输出电流在升压转换器IC的产品选型表中显示为参数
升压遵循不同规则的另一个提示是,升压的数据手册标题中有一个精巧但很重要的电流声明。例如,图3所示为LTC3621单片降压调节器的数据手册首页,其中明确注明了17 V最大VIN和1 A连续负载能力。

图3.LTC3621降压调节器数据手册首页显示最大典型工作电压和电流
相比之下,LT8330单片升压调节器数据手册的标题则标明了开关(内部功率MOSFET)的最大电压(60 V)和电流(1 A),而不是负载电流和输入电压的典型最大值。还可以看到,升压调节器的输入电压范围3 V至40 V与60 V最大开关电压不一致。

图4.LT8330升压调节器IC数据手册首页显示最大电源开关能力
为什么有这样的差别?在降压调节器中,平均电感电流约等于输出(负载)电流,而在升压拓扑中,并不是这样。我们来对比升压拓扑和降压拓扑,了解其中的原因。

图5.异步升压
图5所示为异步升压拓扑的简化原理图,图6所示为异步降压拓扑的简化原理图。二者的D模块都是驱动功率MOSFET的PWM信号,开关周期的占空比由输入和输出电压比决定。在本文中,为简单起见,我使用的是无损连续传导模式(CCM)等式,因为其结果足够接近。

图6.异步降压调节器简化原理图
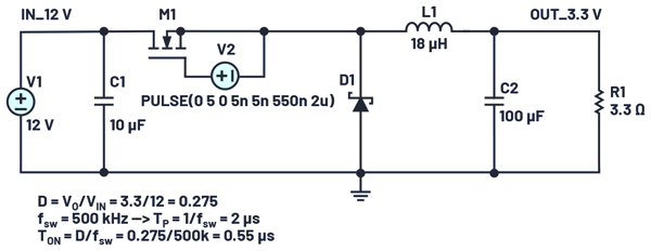
通过使用LTspice,我们可以清楚看到这两种不同拓扑的输入和输出电流之间的差异。图7显示了降压调节器的基本开环设计,用于将12 V输入电压转换为3.3 V输出电压,为电阻负载R1提供1 A (3.3 W)电流。PWM D模块通过V2浮动电源实现,因为我们需要VGATE > VSOURCE为N沟道MOSFET M1建立传导。V2用作PULSE电压源以实现0 V至5 V脉冲,该脉冲从仿真的时间0开始,在5 ns内从0 V转换为5 V,再在5 ns内返回,TON为550 ns,而TP(完整开关周期)等于2 µs。

图7.在1 A条件下从12 V转换为3.3 V的降压调节器开环拓扑 —— 约3 W设计
运行图7中电路的仿真后,可以用探针探测L1和R1的电流。L1中的电流在充电和放电时呈三角形,这是因为M1根据TON(M1接通的时间)的时序和TOFF(M1断开的时间)的时序开关。
L1电流以500 kHz开关频率进行开关。可以看到,电感电流为交流+直流波形。它从最小值0.866 A(TOFF结束时)转换为最大值1.144 A(TON结束时)。当交流信号寻找阻抗最小的路径时,电流的交流部分流过输出电容C2的ESR。这个交流电以及C2的充电和放电会导致产生输出电压纹波,而直流电则流过R2。
通过比较电感电流在负载电流之上和之下形成的三角形状,可以看到它们是相等的,简单的代数计算显示:

平均电感电流等于负载电流。

图8.降压拓扑——电感电流和负载电流仿真示例
搜索降压调节器IC时,可以假设数据手册显示的是最大允许输出电流,因为IIN ≈ IOUT,但升压拓扑的情形并非如此。
我们来看看图9,图中所示为0.275 A或约3.3 W时3.3 V至12 V输出的开环升压设计。此时,平均电感电流是多少?
在图10中,输出电流是291 mA, I(R2)的直流轨迹——接近计算值。尽管仿真的负载电流为291 mA,仿真显示电感电流的平均值为945 mA,峰值超过1 A。这是输出电流的3.6倍多。在TON期间(M2接通的时间,且L2上有V3电压),电感从最小值充电到最大值。在TON期间,D2断开,负载电流由输出电容提供。
在TON期间,电感与MOSFET串联,因此流过输入电感的任何电流都会流过开关。正因为如此,数据手册规定了可流过开关的最大电流ISW。为新设计选择升压IC时,应该了解通过开关的最大预期电流。
例如,为以下应用选择升压调节器:
u VIN = 12 V
u VOUT = 48 V
u IOUT = 0.15 A
为选择正确的升压调节器,需要找到平均输入电流,这是在TON期间流过电感和MOSFET的电流。要找到此电流,可根据输出功率和效率从输出反向推导到输入:
u POUT = VOUT × IOUT = 48 V × 0.15 A = 7.2 W
u 假设效率为0.85(如果有输入和输出参数与期望设计相似的效率曲线,则使用数据手册中的值)。
u PIN = POUT/效率 = 7.2 W/0.85 = 8.47 W
u IIN_AV = 平均输入电流。这是在导通时间内在电感和开关中流动的平均电流,通过PIN/VIN = 8.47 W/12 V = 0.7 A计算得出。
u 同样,IIN是平均电感电流,最大峰值电流将比IIN高1.15至1.20,从而提供30%至40%的纹波电流。因此,IPEAK = IIN × 1.2 = 0.7 A × 1.2 = 0.847 A。

图9.升压拓扑:3.3 V至12 V,约3.3 W

图10.0.275 A时3.3 V至12 V的开环升压的LTspice仿真结果

图11.TON期间的原理图:M2接通,V3与L2并联,D2断开
VSW,晶体管最大允许电压和占空比限制
数据手册中通常会规定IC的VIN范围——建议范围和绝对最大值。在数据手册中,带有内部电源开关的升压调节器可能产生的最高输出电压表示为其最大VSW额定值。如果您使用以外部MOSFET作为电源开关的升压控制器,MOSFET数据手册规定的VDS额定值就是限制最大输出电压的值。
例如,LT8330升压调节器的输入电压范围为3 V至40 V,绝对最大开关电压为60 V,固定开关频率为2 MHz。尽管60 V绝对最大开关电压额定值使该部件能产生60 V升压输出,但最佳做法是保持低于此值至少2 V。
输出电压也受占空比的限制。最大和最小占空比或许可在数据手册中找到,也可以计算得出。通过使用LT8330从12 V转换为48 V,CCM忽略二极管压降获得高转换比,可从输入和输出电压计算出占空比:
u D = (VO – VIN)/VO = (48 V – 12 V)/48 V = 0.75或75%
u 检查IC是否能在所需占空比下工作。
u IC最小占空比计算公式如下:
■ DMIN = 最小TON(MAX) × fSW(MAX)
u IC最大占空比计算公式如下:
■ DMAX = 1 –(最小TOFF(MAX) × fSW(MAX))
最小TON和最小TOFF可在数据手册的电气特性表中找到。可使用该表中“最小值”、“类型”和“最大值”栏中的最大值。使用LT8330的公布值和DMIN和DMAX等式,即可得出DMIN = 0.225,DMAX = 0.86。从结果可以看到,LT8330应能够从12 V转换为48 V,因为设计要求占空比为0.75。
使用LTspice了解外设应力
图12中所示的原理图实现了之前介绍的设计概念,在支持150 mA负载的12 V输入到48 V输出转换器中采用LT8330。

图12.12 V至48 V转换器中用于150 mA负载电流的LT8330
从LTspice仿真,我们可以绘制并测量多种参数。可帮助您选择IC的参数,如图13所示。
VSW和占空比
运行仿真后,您可以将SW节点行为视为一个波形,了解开关期间电源开关上存在什么电压。为此,请将鼠标悬停在SW节点上,使十字光标变成一个红色电压探针。点击即可在波形查看器上绘制开关节点行为。所得图形对应于内部功率MOSFET的漏极。
正如预期那样,当MOSFET接通时,电压电势接近地,但更重要的是,在TOFF期间,MOSFET断开,漏极电压受输出电压和二极管压降的影响。现在我们知道了MOSFET的VDS上的应力是多少。如果我们选择了使用外部MOSFET作为电源开关的控制器设计,则所选MOSFET的VDS额定值应为60 V。
在LTspice波形查看器中,可使用光标进行水平和垂直测量,类似于示波器上的光标。要调用光标,请点击LTspice波形查看器中的V(sw)标签。这会将第一个光标附加到轨迹上,再次点击可将第二个光标附加到同一轨迹上。或者,右击此标签,然后选择给定探测轨迹所需的光标。使用这些光标可测量TON,并通过TON除以周期计算得出占空比。
TPERIOD = TON + TOFF = 1/fSW。之前,我们计算此值为75%或0.75。使用LTspice,得出的值约为373 ns。LT8330使用2 MHz的固定开关频率,因此TP = 1/2e6 = 500 ns,占空比为373 ns/500 ns = 0.746。

图13.LTspice中图形查看器上的开关节点图

图14.测量TON以确认估算的占空比
电感上的峰值电流和电压
要为升压应用选择电感,需要了解电感是否能处理所要应对的电流和电压——即峰值电感电流以及TON和TOFF电压。这个也可以在LTspice中使用差分探针估算出。要对电感进行差分探测,请将鼠标悬停在IN节点上,这时十字光标将变成一个红色探针。点击并拖动鼠标至SW节点。光标颜色会变为黑色。停在第二个节点上时松开鼠标。
在图15中,在电感上对节点IN和SW之间的电压进行差分探测。在TON期间,MOSFET接通,电感右侧接地,而左侧在VIN处,使得电感上的电压在TON期间为12 V。在TOFF期间,MOSFET断开,电感的右侧置于48 V,而左侧在TON期间在VIN处。由于差分探针从VIN中减去VSW,得到–36 V,但符号现在无关紧要。重要的是电感在12 V和36 V之间变化。
在TON期间,电感上的电压吸取正di/dt,即蓝色I(L1)图的斜率。此轨迹的最大点是IPEAK,计算得出0.847 A。通过使用LTspice,可以看到峰值电流约为866 mA。
要正确选择具有足够额定电流(IR)和饱和电流(ISAT)的电感,一定要了解这个峰值电流。IR更多的是关于在规定电流下产生多少热,而ISAT适用于调用短路保护的事件。如果使用带内部MOSFET的调节器,(ISAT > 调节器限流值),并且控制器与外部MOSFET配合使用,则在触发限流值时,(ISAT > 峰值电感值)。
务必注意,此处所述升压拓扑的电感或二极管没有限流值。如果开关未使用,或者IC断开,则输入和输出之间有直接路径。有些IC提供额外保护功能,如关断时输出断开、浪涌电流限制,以及解决此直接输入到输出连接问题的其他功能——例如,LTC3122和LTC3539。
为了提高效率,应使用具有低DCR(直流电阻)和低磁芯损耗的电感。电感数据手册中标明了特定温度下的DCR——它随温度上升,并具有容差。通过PINDUCTOR_LOSS = IIN_AV² × DCR,可轻松计算出直流损耗,而交流损耗和磁芯损耗可在制造商的仿真或其他文档中找到。LTspice可对功率求积分来计算出相关的功耗。为LTspice提供电感记录的DCR和其他已知寄生参数可提高LTspice仿真精度。

图15.稳定状态下通过电感的电压和电流

图16.测量电感峰值电流
通过二极管的电流和电压
图17显示了二极管VSW,OUT上的仿真差分电压、二极管正向电流I(D1)和电感电流I(L1)。当开关接通(TON期间)时,阳极接近地,阴极在输出电压处,因此二极管将反向偏置,暴露在其最大电压(即VOUT)下。第一项标准是,选择VRRM(最大峰值重复反向电压)高于VOUT的二极管。
电感的峰值电流在MOSFET关断后、TOFF期间开始时流过二极管,因此二极管峰值电流与电感峰值电流相同。二极管数据手册中包括一个称为IFRM(重复峰值正向电流)的参数,以时长和占空比指定。此参数通常比二极管能够提供的平均电流要高。
仿真完成后,LTspice可对波形查看器中所有波形求积分来得出rms和平均值,并使用同样的计算方式,计算二极管将处理的平均电流。首先,放大您想求积分的波形部分——通过缩放可有效设置积分边界。在本例中,您可以缩放以涵盖大量稳定状态周期(不是启动或关断)。要设置积分边界,请拖动选择一个稳定状态的时间段并将鼠标悬停在图形名称上。例如,图18中所示的积分结果涵盖0.75 ms,或超过1000个周期。光标会变成一个手形图标。按CTRL键并点击以调用波形查看器的积分窗口。
图18中所示的积分对话框显示通过二极管的平均电流为150 mA。此值应小于最大平均正向电流IF(AV),该电流是二极管数据手册中在特定温度下规定的规格值。
二极管功耗
二极管的功耗也可通过仿真计算。二极管数据手册中指定了25°C下的总功耗PTOT(总功率)和结点至环境的热阻RTH。在LTspice中,将光标悬停在二极管上,波形查看器上便可显示功耗。将光标悬停在分立式组件或电压源上时,光标将变成电流探针。按ALT键可将光标变为温度计,点击可显示二极管的仿真功耗。放大稳态操作,使用与前面所述的求二极管电流积分相同的程序求波形的积分。二极管功率容量包含二极管上的电压和流过的电流。

图17.二极管电压和电流以及电感中的电
图18.对稳定状态下的二极管电流求积分可得到IF(AV)和I(RMS)值

图19.对二极管功耗求积分可得到平均功耗

图20.二极管放电时产生反向恢复尖峰。该值越低,功耗越低。此电容随电压而变化。
(a) 二极管反向恢复电流尖峰。(b) 放大二极管反向恢复电流尖峰。
二极管的一些电容在其导通期间充电。当二极管不再导通时,必须放掉累积的电荷。这种阻尼电荷移动会导致功率损耗,因此建议选择低电容值。此电容值随二极管的反向电压而变化,二极管数据手册中应包括显示此效应的图形。此内部电容在二极管数据手册中通常显示为Cd,在LTspice数据库中显示为Cjo。
使用低电容二极管放松了对最大反向恢复电流的要求,从而提高了效率。图20显示了关于恢复电流有关的内容。反向恢复中固有的功耗留给读者做练习。
结论
选择升压IC时,应从输出开始。从所需的输出电压和负载电流反向推导以找到输入功率,并将效率考虑在内。由此,确定平均和峰值输入电流值。在升压转换器中,电感中流动的平均电流高于负载电流,使得IC选择过程与降压转换器不同。为升压转换器选择合适的额定组件需要了解调节器峰值和平均电压与电流,使用LTspice可确定它们的值。
作者简介
Rani Feldman于2017年加入ADI公司,担任高级现场应用工程师。之前,Rani曾在凌力尔特公司工作三年。Rani拥有以色列阿夫卡学院电子工程学士学位和以色列霍隆理工学院工商管理硕士学位。
(采编:www.znzbw.cn)








