产品特点
直接驱动,高动态响应,高精度,集成BISS—C接口绝对值位置反馈
内转子/外转子结构 高速/低速绕组,标准化系列产品,可定制开发

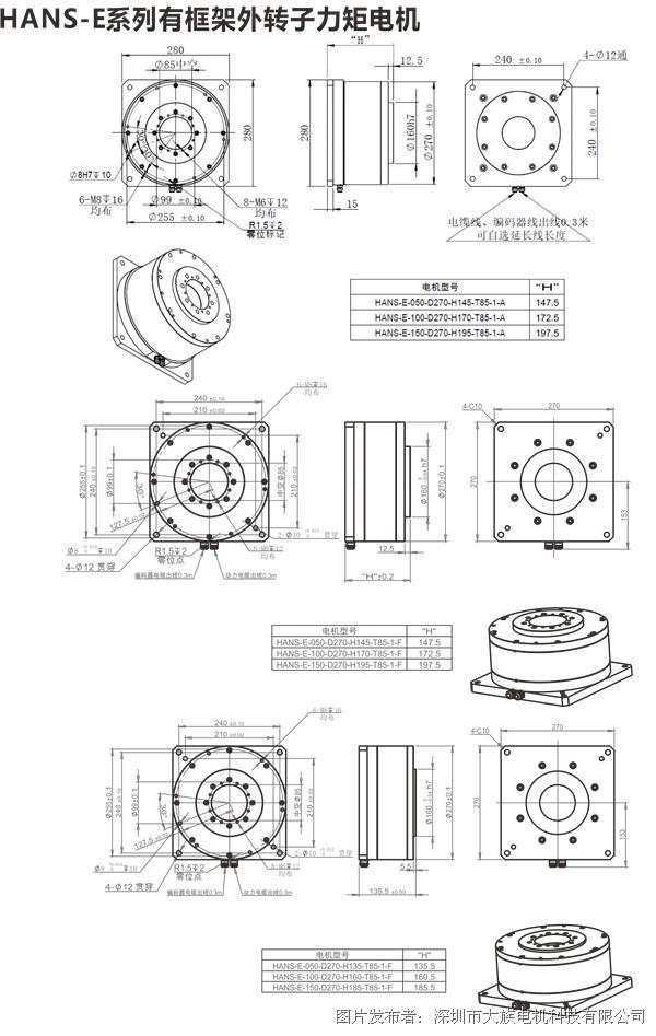
产品参数

关于大族电机
大族电机自2005年成立以来,一直专注于直驱电机的自主开发,核心技术研发人员都有十多年直驱行业经验;大族激光内部有大量的直驱应用需求,大族电机的很多直驱产品首先在大族集团内部得到应用验证,内部市场推动了研发的发展;大族电机一直非常重视技术研发,自成立以来研发投入/营收一般都在10%以上,持续大规模投入使大族电机形成了丰富的直驱电机产品系列,拥有稳定的客户群,公司运营进入良性循环。
责任编辑:znzbw.cn